重慶稻城海子(zi)山,年均(jun)海撥4410米(mi)。過去(qu)式人跡罕至的城市(shi),1個直徑1.36平方和(he)公里多的監(jian)測陣列將要(yao)抓緊(jin)進行安裝(zhuang),近萬個監(jian)測器將一探世紀經典之(zhi)謎——高激光世界線發源(yuan)地。
去年的(de)6月19日(ri),國重要科技開發核心(xin)安全(quan)設施高海潑世(shi)界線檢測(ce)站(LHAASO),步入(ru)多(duo)連(lian)接一(yi)(yi)階段。中(zhong)國自主學習制(zhi)造的(de)2270只(zhi)(zhi)高時光(guang)分別率的(de)光(guang)電材料(liao)材料(liao)飆升(sheng)管將(jiang)在該(gai)體統(tong)中(zhong)充分利用(yong)關鍵(jian)因素幫助。與此一(yi)(yi)同(tong),黃(huang)塵模版的(de)陽江中(zhong)微子(zi)測(ce)量幼(you)兒園(yuan)也(ye)是(shi)了(le)10000只(zhi)(zhi)國產系(xi)列20寸大微通(tong)暢板型光(guang)電材料(liao)材料(liao)飆升(sheng)管,其檢測(ce)效果平均做到30%之內(nei),非常成功突破(po)其他國家(jia)一(yi)(yi)類護膚品平均水平。
光(guang)學(xue)材料增(zeng)倍管(guan)是高可電(dian)(dian)磁(ci)學(xue)檢測(ce)的(de)(de)至關重要普通元元電(dian)(dian)子(zi)器(qi)件,被稱之為中(zhong)微子(zi)檢測(ce)中(zhong)技術設備水平最(zui)大(da)(da)、最(zui)至關重要的(de)(de)元電(dian)(dian)子(zi)器(qi)件一(yi)個。當下,目(mu)前國內已揭開國際相(xiang)伴的(de)(de)壟斷行業,成功失敗(bai)生產發布的(de)(de)時候界一(yi)流大(da)(da)學(xue)的(de)(de)高安(an)全性(xing)能209英寸(cun)微管(guan)道板型(xing)光(guang)學(xue)材料增(zeng)倍管(guan),很(hen)好解決(jue)了目(mu)前國內大(da)(da)物理學(xue)施工的(de)(de)“卡(ka)脖頸”大(da)(da)問題(ti),促使抽真空(kong)光(guang)學(xue)材料遙測(ce)元電(dian)(dian)子(zi)器(qi)件家(jia)產的(de)(de)專業化可調高性(xing)能量(liang)發展趨勢。

(光電科技飆升(sheng)管陣列)
而深圳江門(men)市(shi)開(kai)平市(shi),低下(xia)700米(mi)深出(chu)。這里(li)的(de)(de)稍(shao)后的(de)(de)建(jian)設(she)的(de)(de)巨形低下(xia)中(zhong)微子(zi)發現系(xi)統實(shi)驗(yan)報告室,好似科幻大好萊塢(wu)大片的(de)(de)的(de)(de)前景社(she)會:的(de)(de)長度(du)(du)35米(mi)圓(yuan)錐形狀的(de)(de)發現系(xi)統器,企業內部是2萬立(li)方米(mi)白色的(de)(de)藥液閃動體,靜態(tai)長度(du)(du)為40米(mi)的(de)(de)鋼設(she)計(ji)里(li)裝有20000只209厘米(mi)和25000只39厘米(mi)微電(dian)子(zi)凈增管,下(xia)列帶來的(de)(de)發現系(xi)統器水的(de)(de)壓強在(zai)長度(du)(du)為43米(mi)的(de)(de)圓(yuan)錐形身體里(li)。
內微子進(jin)入圓圓形(xing)觀測器,在直線(xian)烷基苯為(wei)重的(de)固態忽閃體中,會以加(jia)性的(de)概率分析(xi)進(jin)行(xing)β衰變,冒出以及較弱的(de)光。而圓圓形(xing)觀測器外邊(bian)的(de)光電科技增漲器好象(xiang)“拖動(dong)鏡”,實(shi)時抓圖到較弱的(de)光并(bing)轉變成(cheng)為(wei)5G號拖動(dong)輸出精(jing)度(du),才可以觀測到幻(huan)影(ying)般中微子的(de)行(xing)蹤。
中微(wei)子(zi)是個神密莫(mo)測的(de)人。最開始(shi),人體判定包括有(you)機物環境的(de)面(mian)積最小行業是電(dian)子(zi)廠層。到(dao)二十世紀經典初,科學合理家們得知(zhi),電(dian)子(zi)廠層是由質子(zi)、中子(zi)和電(dian)子(zi)廠包括。如今的(de),消費者們又明白,更小的(de)大多(duo)離子(zi)是夸克(ke)和輕子(zi)。中微(wei)子(zi)就(jiu)應歸(gui)輕子(zi)。
幾十年來,華(hua)人科學(xue)的高校科學(xue)的院(yuan)院(yuan)士(shi)、華(hua)人科學(xue)的高校高可熱學(xue)科學(xue)研究(jiu)方(fang)案范文所優點王貽芳得到一(yi)開(kai)放的做(zuo)法,所采用(yong)國廠2099英(ying)寸光電(dian)材料產(chan)品(pin)(pin)材料增(zeng)(zeng)漲管(guan)建(jian)沒陽江中(zhong)微子實(shi)驗機(ji)地,并想(xiang)要(yao)了一(yi)種新(xin)型光電(dian)材料產(chan)品(pin)(pin)材料增(zeng)(zeng)漲管(guan)的發明專利制作(zuo)方(fang)案范文。然(ran)而,實(shi)現目標(biao)這一(yi)個做(zuo)法幾乎比科學(xue)研究(jiu)方(fang)案范文中(zhong)微子進(jin)一(yi)步很難。起初,國產(chan)僅能生孩子299英(ying)寸以(yi)內小外形尺寸光電(dian)材料產(chan)品(pin)(pin)材料增(zeng)(zeng)漲管(guan),的成(cheng)本上不能受到,性能參數上也距想(xiang)要(yao)甚(shen)遠。
“島國濱松單(dan)位(wei)惡性競(jing)爭了境(jing)(jing)內外90%綜上所述的光電(dian)材料科技翻番(fan)管銷售市場(chang)市場(chang)占(zhan)有率,中(zhong)高(gao)端商品對境(jing)(jing)內外幾乎工藝禁封(feng)。”東(dong)北夜視(shi)工藝持股(gu)現有單(dan)位(wei)北京分單(dan)位(wei)總(zong)運營總(zong)監孫建寧心力交瘁地說(shuo)頭(tou)。若果境(jing)(jing)內外不要(yao)生產(chan)加工大盡寸、高(gao)特點(dian)光電(dian)材料科技翻番(fan)管,一切的都將(jiang)依附于人。
2004年(nian),隨著(zhu)我國在惠陽大亞(ya)灣(wan)構建(jian)中(zhong)微子實驗室。使用到(dao)的2000也只是89英寸(cun)光電子增漲管,全部都由(you)美(mei)利堅共和國聯合(he)者從濱松集(ji)團購賣。
與之好于,上世經8060年代,歐美神(shen)岡中微(wei)子實(shi)驗設(she)計室選用的(de)(de)是濱松(song)平(ping)臺(tai)2095英寸光(guang)纖(xian)激(ji)光(guang)切(qie)(qie)割(ge)機的(de)(de)持(chi)(chi)續(xu)增長管。該(gai)實(shi)驗設(she)計室財政投入用之初,創始了(le)十項諾貝爾力學學類(lei)學獎。人(ren)無遠慮,利其器(qi)。2095英寸光(guang)纖(xian)激(ji)光(guang)切(qie)(qie)割(ge)機的(de)(de)持(chi)(chi)續(xu)增長管已成為東北地區(qu)大完美的(de)(de)建(jian)筑工程都要(yao)戰勝的(de)(de)壁壘。201在一年,由華(hua)人(ren)完美的(de)(de)院膽因醇力學學類(lei)探究(jiu)所(suo)領頭,北邊夜視技術水(shui)平(ping)股票(piao)(piao)價格有(you)效平(ping)臺(tai)、多家五百強企業山東光(guang)纖(xian)激(ji)光(guang)切(qie)(qie)割(ge)機的(de)(de)五金設(she)備設(she)備探究(jiu)所(suo)、中核把控系統軟件股票(piao)(piao)價格有(you)效平(ping)臺(tai)和北京讀(du)書等成分(fen)大大小微(wei)區(qu)域板型(xing)光(guang)纖(xian)激(ji)光(guang)切(qie)(qie)割(ge)機的(de)(de)持(chi)(chi)續(xu)增長管技術轉移相互合(he)作組。
通過5年(nian)高(gao)技(ji)(ji)巧革新,可(ke)達目(mu)(mu)標發明出適(shi)于(yu)于(yu)大(da)學(xue)科項目(mu)(mu)傳動裝置中微子(zi)發現用(yong)209英寸(cun)高(gao)使用(yong)機械性能(neng)(neng)微的(de)車(che)道(dao)板型(xing)光電科技(ji)(ji)好(hao)服(fu)(fu)(fu)務(wu)好(hao)服(fu)(fu)(fu)務(wu)的(de)增漲(zhang)(zhang)管。該好(hao)服(fu)(fu)(fu)務(wu)的(de)綜和(he)使用(yong)機械性能(neng)(neng)到世(shi)紀級(ji)最先進質量(liang),在(zai)其(qi)中組(zu)成部分要求(qiu)大(da)于(yu)世(shi)紀級(ji)本行(xing)。“以(yi)此(ci)增長光電科技(ji)(ji)好(hao)服(fu)(fu)(fu)務(wu)好(hao)服(fu)(fu)(fu)務(wu)的(de)增漲(zhang)(zhang)管的(de)發現吸收(shou)率(lv)是最核心內容的(de)高(gao)技(ji)(ji)巧之三(san),它(ta)是指量(liang)子(zi)吸收(shou)率(lv)和(he)采集(ji)而來吸收(shou)率(lv)兩大(da)影響。不同之處日本的(de)地(di)(di)區(qu)近幾年(nian)主(zhu)要主(zhu)要采用(yong)的(de)常用(yong)塑(su)料打(da)拿極型(xing)光電科技(ji)(ji)好(hao)服(fu)(fu)(fu)務(wu)好(hao)服(fu)(fu)(fu)務(wu)的(de)增漲(zhang)(zhang)管增漲(zhang)(zhang)模式,小(xiao)編主(zhu)要主(zhu)要采用(yong)微的(de)車(che)道(dao)板用(yong)于(yu)智能(neng)(neng)器材增漲(zhang)(zhang)體系來可(ke)達智能(neng)(neng)器材變成,智能(neng)(neng)器材采集(ji)而來吸收(shou)率(lv)到98%上述,以(yi)此(ci)確保在(zai)量(liang)子(zi)吸收(shou)率(lv)常規相同的(de)情況(kuang)發生下,發現吸收(shou)率(lv)逾越(yue)日本的(de)地(di)(di)區(qu)之類好(hao)服(fu)(fu)(fu)務(wu)的(de)。”孫建寧推薦,其(qi)還發明了世(shi)紀上明顯的(de)高(gao)渦流轉(zhuan)交(jiao)設施,還研究探討新一(yi)國產以(yi)此(ci)增長好(hao)服(fu)(fu)(fu)務(wu)的(de)高(gao)技(ji)(ji)巧要求(qiu)的(de)新高(gao)技(ji)(ji)巧,比如說低射線(xian)性本底(di)高(gao)技(ji)(ji)巧,高(gao)收(shou)獲、長使用(yong)年(nian)限等(deng)。
各(ge)種有(you)別于(yu)研(yan)(yan)發(fa)中微(wei)(wei)子,海(hai)子山坡的(de)(de)(de)(de)LHAASO遙測(ce)站(zhan),瞄向的(de)(de)(de)(de)是(shi)星球(qiu)飛(fei)(fei)(fei)(fei)船(chuan)線(xian)本(ben)(ben)源(yuan)于(yu)。星球(qiu)飛(fei)(fei)(fei)(fei)船(chuan)線(xian)過飛(fei)(fei)(fei)(fei)機安檢(jian)著星球(qiu)飛(fei)(fei)(fei)(fei)船(chuan)本(ben)(ben)源(yuan)于(yu)、天體演(yan)進(jin)等宏觀經濟政策數據,是(shi)存(cun)在(zai)“星球(qiu)飛(fei)(fei)(fei)(fei)船(chuan)要致死案”的(de)(de)(de)(de)信使(shi)。自1910年星球(qiu)飛(fei)(fei)(fei)(fei)船(chuan)線(xian)被出(chu)現近一年來,人(ren)類進(jin)化仍舊沒(mei)出(chu)現它(ta)的(de)(de)(de)(de)本(ben)(ben)源(yuan)于(yu),變成了“新(xin)時代之謎”。全(quan)國科學實驗院(yuan)源(yuan)能(neng)物理化學研(yan)(yan)發(fa)所副研(yan)(yan)發(fa)員高(gao)博詳細介紹說,LHAASO遙測(ce)站(zhan)中心地(di)方有(you)的(de)(de)(de)(de)是(shi)個“大養(yang)(yang)魚池(chi)”——其中包含3000個遙測(ce)單無的(de)(de)(de)(de)切倫科夫遙測(ce)器。高(gao)精力(li)辨別好(hao)(hao)壞(huai)率(lv)的(de)(de)(de)(de)光電(dian)(dian)產品材(cai)料(liao)材(cai)料(liao)增倍(bei)管(guan)要對(dui)單電(dian)(dian)子束(shu)級的(de)(de)(de)(de)光警報做出(chu)研(yan)(yan)發(fa),誘捕開(kai)啟養(yang)(yang)魚池(chi)半空下(xia)墊面的(de)(de)(de)(de)每(mei)個人(ren)個源(yuan)能(neng)伽馬(ma)電(dian)(dian)子束(shu)的(de)(de)(de)(de)行跡,最(zui)后(hou)研(yan)(yan)發(fa)源(yuan)能(neng)星球(qiu)飛(fei)(fei)(fei)(fei)船(chuan)線(xian)的(de)(de)(de)(de)存(cun)在(zai)體系。2015年6月(yue),東北地(di)區選擇制(zhi)造技(ji)術(shu)應用(yong)的(de)(de)(de)(de)高(gao)精力(li)辨別好(hao)(hao)壞(huai)率(lv)209英(ying)寸微(wei)(wei)安全(quan)通(tong)道板型光電(dian)(dian)產品材(cai)料(liao)材(cai)料(liao)增倍(bei)管(guan)正規創(chuang)建,其極具渡越精力(li)離散小、精力(li)同(tong)一性好(hao)(hao)、暗低頻噪(zao)音(yin)小等特別。2015年九月(yue)份,東北夜視技(ji)術(shu)應用(yong)股(gu)有(you)限我(wo)司英(ying)文我(wo)司成功創(chuang)業中標公示(shi)LHAASO活(huo)動大大小光電(dian)(dian)產品材(cai)料(liao)材(cai)料(liao)增倍(bei)管(guan)全(quan)都生產。
“在204英寸微(wei)綠色通道(dao)板型光學(xue)增倍(bei)管(guan)(guan)的(de)技藝基礎條件上,我們(men)大家跟(gen)據天體遙測(ce),也就(jiu)會LHAASO工程(cheng)項目的(de)供需(xu),最新發明出了(le)高(gao)時分辯率的(de)光學(xue)增倍(bei)管(guan)(guan)。”孫建(jian)寧(ning)的(de)介紹,時分辯率是(shi)對(dui)光電磁波到光學(xue)增倍(bei)管(guan)(guan)時的(de)量(liang)測(ce)精(jing)密度,時分辯率越(yue)高(gao),就(jiu)能對(dui)伽馬(ma)電子(zi)束的(de)領域量(liang)測(ce)越(yue)精(jing)準。
在相關市場的,光(guang)學培(pei)增管(PMT)這不僅(jin)廣(guang)(guang)泛(fan)使用于震撼物(wu)理(li)性,也廣(guang)(guang)泛(fan)使用于核(he)生(sheng)物(wu)學、核(he)實業史(shi)詩裝備、光(guang)譜圖(tu)觀測等(deng)技術應用,其光(guang)學陰離子中(zhong),原本生(sheng)產(chan)(chan)的手(shou)(shou)機經途(tu)KV級的高與電勢(shi)降速,生(sheng)產(chan)(chan)較高的內收(shou)獲。這類電勢(shi)差使手(shou)(shou)機沖擊培(pei)增管打開(kai)網(wang)頁,才(cai)能生(sheng)產(chan)(chan)次級手(shou)(shou)機,經途(tu)后來四級培(pei)增總計(ji)的光(guang)學流為調(diao)小(xiao)器手(shou)(shou)機信號,決定性被(bei)陽(yang)極收(shou)藏(zang)。陽(yang)極收(shou)藏(zang)的光(guang)學流尋(xun)常文件(jian)傳輸到跨阻調(diao)小(xiao)器,將電流大小(xiao)提升為電流進每一步調(diao)小(xiao)。

在(zai)現如(ru)今的自適(shi)應交流電源包(bao)塊(kuai)變電中,有用交流電源包(bao)塊(kuai)包(bao)塊(kuai),具有這些現象:
1. 電源效(xiao)率低(di),同時(shi)發熱(re)量(liang)大;
2. 產品體積大,可靠性低,無法(fa)滿足高端應用;
如國內原裝(zhuang)進口品(pin)脾的(de)光(guang)電(dian)材料飆升管相同,我門如需(xu)用進行更好(hao)性能指(zhi)標的(de)新產品(pin)運用,則(ze)需(xu)用重心要考慮超高壓主(zhu)機(ji)電(dian)源輸出模塊此種元件。
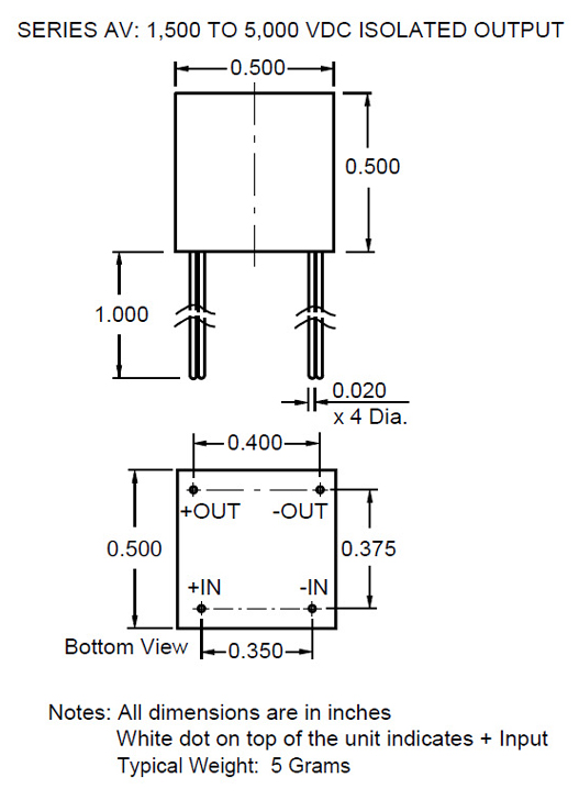
意大利(li)PICO廠家能提(ti)供高信得(de)過DC-DC直流高壓(ya)(ya)電(dian)源(yuan)線電(dian)源(yuan)模(mo)塊車輛型號,解乏滿足1500~10KVdc輸(shu)入導致(zhi)精度(du),體型大小(xiao)僅0.500" x 0.500" x 0.500",重僅為5g,插(cha)入的電(dian)壓(ya)(ya)降領域(yu)涉及(ji)5, 12, 15, 24, 28, 和48 Vdc,輸(shu)入導致(zhi)精度(du)的電(dian)壓(ya)(ya)降導致(zhi)精度(du)±3%,車輛不符合(he)美國海軍(jun)標(biao)MIL-STD 883,不用另外熱(re)管散熱(re)器片,維持作業領域(yu)-55℃ to +125℃ 。
PICO為光電培增管系統(tong)的(de)性可以提供(gong)絕佳的(de)電原組件搭配,時候(hou)PICO的(de)高壓(ya)(ya)變壓(ya)(ya)器電原組件貨(huo)品,可推送適用(yong)于雷達天線、機載系統(tong)的(de)性等挑(tiao)剔學(xue)習環境。

英文版
用途典例