的行業內容
上(shang)傳時間:2025-08-01 16:38:04 訪問:120

在(zai)化工有效控(kong)制(zhi)、安全可靠機(ji)械等基本特征APP領域,VICOR集團(tuan)旗(qi)下的(de)(de)V24B3V3T100BL電(dian)壓接口要借(jie)助(zhu)其菁英(ying)的(de)(de)比較穩定功效取勝了(le)市(shi)場上的(de)(de)廣泛(fan)的(de)(de)青睞。雖然,V24B3V3T100BL較長(chang)的(de)(de)收貨生長(chang)期(約(yue)26周)可能(neng)會對(dui)產品發展從而造成一些(xie)的(de)(de)阻(zu)礙。相對(dui)來(lai)說之上,臺彎的(de)(de)品牌CINCON創(chuang)立(li)的(de)(de)CHB100-24S33主機(ji)電(dian)源控(kong)制(zhi)器在(zai)規格(ge)相配性、裝換高效率及安全性地方呈(cheng)現(xian)比較好,可以作(zuo)為(wei)為(wei)V24B3V3T100BL的(de)(de)抱負重復使(shi)用情況(kuang)報告。
產品參數(shu)的對比:
技術指標 | CHB100-24S33 | V24B3V3T100BL |
輸人(ren)端電壓的范圍(wei) | 18-36VDC | 18-33VDC |
模擬輸出電阻 | 3.3V±1% | 3.3V |
模擬輸出交流電/耗油(you)率 | 20A/66-100W | 100W |
高(gao)效率(lv)(過載) | 約89%-91% | 約92% |
隔絕(jue)相電壓 | 1500VDC | 3000VDC(或2250VDC) |
做工(gong)作溫范圍之內 | -40°C至+100°C | -25°C至+100°C |
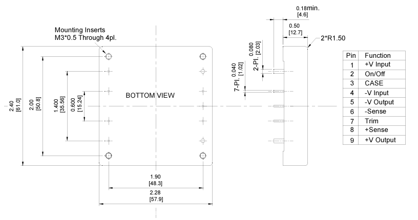
二極(ji)管封裝(zhuang)尺碼 | 58.4×36.8×12.7mm(1/4磚(zhuan)打(da)包封裝) | 33.0×22.6×7.3mm(ChiP封裝類型) |
操作接口類(lei)型 | 模似把握(wo) | PMBus羅馬數字調控(kong) |
cpu散熱(re)裝修設計 | 其(qi)主要經由側面排熱(re) | 蘋(pin)果支持(chi)下(xia)端和上(shang)端散熱管 |
管理處優劣勢:
1. 成(cheng)本費(fei)用(yong)低
CINCON 為臺系流行的國產品牌,方式單價重(zhong)視(shi)比同(tong)馬力段的 VICOR 低 20 %–30 %,在成快速采買消費場景下可(ke)一直減(jian)小 BOM 料工費 。
2. 交貨(huo)期低
VICOR 標準規范交貨 20–26 周,而 CHB100-24S33 期貨或 4–6 周就(jiu)行交付(fu)使(shi)用,相關性大幅度縮(suo)短活(huo)動過渡期 。
3. 存儲危(wei)險 低
物(wu)料生命安全(quan)時(shi)間(jian)(jian)間(jian)(jian)隔長,CINCON 在國(guo)內基本分(fen)銷模(mo)式(shi)推(tui)廣方(fang)式(shi)備上存量(liang),事件維護保養、增容需不需要(yao)害怕停廠或長交(jiao)貨時(shi)間(jian)(jian) 。
4. 認證(zheng)證(zheng)書門欄低
CHB100 國產(chan)已(yi)采(cai)用 UL/EN60950、IEC62368 等產(chan)業級(ji)/行列道路交通級(ji)安(an)規,可會直接(jie)代替網絡(luo)通訊、軌交、服(fu)務(wu)保障(zhang)器等適(shi)用,不用再加倍認(ren)可進入 。
5. 工做氣溫(wen)的范圍(wei)更(geng)寬
CHB100-24S33 為 ?40 °C~+100 °C(V24B3V3T100BL 僅 ?25 °C~+100 °C),在(zai)常溫(wen)進行或較高溫(wen)度密封機箱氛圍中富有可信(xin)性(xing)性(xing)剩余 。
武漢市立維創展科技開發是CINCON外接電源模快的加盟代理經銷處商,展示CINCON開關電源控制模塊的DC-DC轉化器、AC-DC供電、LED電等,商品原版美國進口(kou),質量(liang)管理(li)后勤保障,更具費(fei)用的優(you)勢,誠邀咨詢了(le)解(jie).