相關行業資迅
上(shang)線時段:2024-08-15 09:14:48 預覽(lan):6079

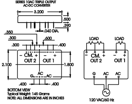
10AC12T5是一款三路輸出的AC-DC電源模塊,由PICO公司生產。這款電源模塊具(ju)有以下特點(dian)和技術參數(shu):
1. 輸入電壓范圍:
90-130VAC (47-440Hz) 自選:170-240VAC (47-440Hz)2. 環境條件:
寬工作任務平均溫度比率:-55°C至+85°C 經由高底溫及衰老公測:-55°C至+125°C3. 型號與規格:
規格型號:10AC12T5 主傷害的電壓:5 VDC 最主要負載電阻瞬時電流:1400 mA 較大工作輸出輸出:7 W 端電壓裝載轉換使用范圍:25%-100%裝載,±0.5% 模擬輸出額定電壓紋波(1.1 MHz傳輸速率下):50 mV峰最高值4. 輔助輸出電壓和電流:
輔助軟件輸入輸出功率1:±12 VDC 最好載荷直流電壓1:125 mA 最大的工作輸出額定功率1:1.5W 所在相電壓紋波1(1.1 MHz帶寬起步下):50 mV峰閥值 鋪助讀取輸出功率2:±12 VDC 上限負債功率2:50 mA 最明顯輸出精度瓦數2:1.2W 輸入電流紋波2(1.1 MHz服務器帶寬下):50 mV峰頂值5. 效率:
在過載事情下,學習效率為77% 此電源開關傳感器適適用在于挑剔的民品規范標準及航空適用,可在嚴于場景下靠普進行。護膚品性是指寬發送電流值面積、穩定可靠的導出電流值、低紋波燥音及高效益率。深圳市立維創展科技是PICO企業的代銷(xiao)商(shang)商(shang)。供給進囗的PICO交(jiao)流(liu)(liu)主(zhu)(zhu)機電(dian)(dian)源(yuan)(yuan)開(kai)關(guan)組(zu)件(jian)(jian)、警用交(jiao)流(liu)(liu)主(zhu)(zhu)機電(dian)(dian)源(yuan)(yuan)開(kai)關(guan)組(zu)件(jian)(jian)、進行高壓(ya)(ya)交(jiao)流(liu)(liu)主(zhu)(zhu)機電(dian)(dian)源(yuan)(yuan)開(kai)關(guan)組(zu)件(jian)(jian)、超小型(xing)配電(dian)(dian)變(bian)(bian)(bian)壓(ya)(ya)器(qi)(qi)(qi)、MIL-PRF-21038/27規(gui)模電(dian)(dian)力箱(xiang)式(shi)變(bian)(bian)(bian)壓(ya)(ya)器(qi)(qi)(qi)、輸入脈沖電(dian)(dian)力箱(xiang)式(shi)變(bian)(bian)(bian)壓(ya)(ya)器(qi)(qi)(qi)、400 MHz魅力配電(dian)(dian)變(bian)(bian)(bian)壓(ya)(ya)器(qi)(qi)(qi)、MIL-STD-1553端口(kou)低(di)壓(ya)(ya)電(dian)(dian)壓(ya)(ya)器(qi)(qi)(qi)、語音低(di)壓(ya)(ya)電(dian)(dian)壓(ya)(ya)器(qi)(qi)(qi)、瓦(wa)數(shu)電(dian)(dian)感(gan)、徽型(xing)瓦(wa)數(shu)電(dian)(dian)感(gan)、EMI電(dian)(dian)感(gan)、薄DC-電(dian)(dian)流(liu)(liu)24v電(dian)(dian)源(yuan)(yuan)模塊(kuai)電(dian)(dian)源(yuan)(yuan)、警用DC-DC電(dian)(dian)源(yuan)(yuan)線板塊(kuai)、磚塊(kuai)DC-DC電(dian)(dian)源(yuan)(yuan)模塊(kuai)電(dian)(dian)源(yuan)(yuan)模塊(kuai)電(dian)(dian)源(yuan)(yuan)、髙壓(ya)(ya)DC-DC、AC-DC電(dian)(dian)組(zu)件(jian)(jian)、供電(dian)(dian)開(kai)關(guan)電(dian)(dian)流(liu)(liu)電(dian)(dian)組(zu)件(jian)(jian)、底部隔離電(dian)(dian)組(zu)件(jian)(jian)、航材(cai)電(dian)(dian)組(zu)件(jian)(jian)等技能電(dian)(dian)組(zu)件(jian)(jian)和最大(da)功率變(bian)(bian)(bian)為器(qi)(qi)(qi)。原裝德(de)國(guo)品牌德(de)國(guo),質提高,誠邀(yao)咨詢公司。