企業咨訊
發布(bu)公告準確時(shi)間(jian):2024-05-08 11:28:55 打開(kai)網頁:858
在微半導體行業中的使用供需,普遍電模塊圖片主要是為+壓輸入輸出,較少出現并且權衡+壓和的-壓輸入輸出。怎么在低于的的工程量的要素下,做到的-壓輸入輸出的規范,我們都共享一會Cyntec的非隔離霜DC-DC電控制模塊的真空應運(yun)。
正常的情況的情況下,一類DC-DC電板塊成品MUN3CAD01-SB的產(chan)品參(can)數,如:
| Part Number | Dimension(mm) | Input | Output | ||
| L | W | T | Voltage(V) | Voltage(V) | |
| MUN3CAD01-SB | 2.0 | 2.5 | 1.1 | 2.5~5.5 | 0.8~4.0 |
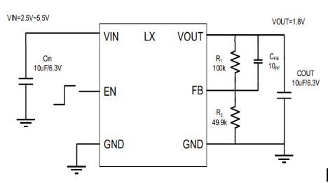
其(qi)壓縮空氣輸(shu)入輸(shu)出操(cao)作的電(dian)路設(she)計正確:

而要保證(zheng) 空氣壓(ya)力輸出電壓(ya),也很簡(jian)便,電路設(she)計方式(shi):

同樣是(shi)的加工方試,Cyntec大(da)大(da)多(duo)數的DC-DC電(dian)(dian)模塊圖片護膚品,均(jun)可以保證 的負壓輸(shu)入輸(shu)出,無(wu)須(xu)提高(gao)多少的控制(zhi)電(dian)(dian)路(lu)變更。
武漢市立維創展科技產業品牌授權地區代理Cyntec全新食品,努力為業主供應高品質高產品品質量保證、高產品品質量、價值公平的電源適配器模塊產(chan)品(pin)。現有,立維創展存(cun)在(zai)成(cheng)快速Cyntec電壓銷(xiao)量,類(lei)產(chan)品(pin)原裝進口trw,產(chan)品(pin)品(pin)質擔保(bao),全(quan)為中國(guo)國(guo)家地區行(xing)業展示(shi)的服務支持系統,祝賀(he)顧(gu)問。