企業資訊、短視頻軟件
發布信息日子(zi):2024-03-22 09:58:06 查詢:1062
PICOAT-SAT系類是屏蔽式單路(lu)雙路(lu)所(suo)在DC-DC準換器,也(ye)能在-25°C至+70°C的(de)寬氣溫(wen)使用(yong)范(fan)圍內穩定的(de)事(shi)業,不能不額(e)外(wai)的(de)的(de),散熱處置器或(huo)降額(e)處置。同樣,默認設置的(de)所(suo)在濾(lv)波(bo)電(dian)儲罐和四種簡(jian)便的(de)放入電(dian)阻選(xuan)擇項(xiang)(3V、5V、9V、12V)這會有利于(yu)微信用(yong)戶要學會簡(jian)化線路(lu)設置。

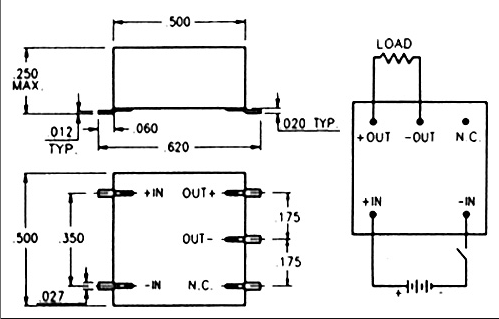
AT底視圖 SAT底視圖
PICO AT-SAT系(xi)列(lie)表出(chu)示(shi)多個技術(shu)(shu)參(can)(can)數(shu)選擇,每個技術(shu)(shu)參(can)(can)數(shu)都擁有不高的(de)電(dian)(dian)(dian)壓感(gan)應電(dian)(dian)(dian)流(liu)(liu)總量。輸(shu)送(song)電(dian)(dian)(dian)壓感(gan)應電(dian)(dian)(dian)流(liu)(liu)為(wei)3.3-15V,極大(da)裝(zhuang)(zhuang)載電(dian)(dian)(dian)壓感(gan)應電(dian)(dian)(dian)流(liu)(liu)50-227mA,輸(shu)送(song)馬力獨(du)角獸高達0.75W,該轉型器使用半導體材(cai)料超中大(da)型封(feng)裝(zhuang)(zhuang)形(xing)式,封(feng)裝(zhuang)(zhuang)形(xing)式的(de)尺寸(cun)為(wei)0.5”x0.5”x0.2”。
| 串聯AT-SAT單路輸出 | |||||||||||
| PICO 插件 部件 號 | PICO 表面 貼裝 零件 編號 | 輸入 電壓。 (V直流) | 輸出 電壓 (V直流) | 最大負載 電流 (mA) | 最大輸出 功率 (瓦) | 典型 值 ( % ) | 電流 典型 值(mA) | 輸出 電壓 紋波 @滿 載* (Vp-p max) | 空載 電流 (典型 值) (mA) | 電壓 容差 (V DC) | 價格 (美元) |
| 3AT3.3S 3AT5S 3AT5.2S 3AT9S 3AT12S 3AT15S | 3SAT3.3S 3SAT5S 3SAT5.2S 3SAT9S 3SAT12S 3SAT15S | 33 3 3 3 3 | 3.3 5 5.2 9 12 15 | 197 130 125 83 63 50 | 0.65 0.65 0.65 0.75 0.750.75 | 61 66 66 70 72 73 | 355 328 328 357 347342 | 0.20 0.20 0.20 0.20 0.20 0.20 | 35 35 35 3535 35 | ±0.20 ±0.25 ±0.25 ±0.30 ±0.40 ±0.40 | 115.98 115.98 115.98 115.98 115.98 |
| 5AT3.3S 5AT5S 5AT5.2S 5AT9S 5AT12S 5AT15S | 5SAT3.3S 5SAT5S 5SAT5.2S 5SAT9S 5SAT12S 5SAT15S | 55 5 55 5 | 3.3 5.2 9 12 15 | 227 150 144 83 63 50 | 0.75 0.75 0.75 0.75 0.750.75 | 64 69 69 72 75 76 | 234 217 217 208 200 197 | 0.20 0.20 0.20 0.20 0.20 0.20 | 25 25 25 2525 25 | ±0.20 ±0.25 ±0.25 ±0.30 ±0.40 ±0.40 | 115.98 115.98 115.98 115.98 115.98 |
| 9AT3.3S 9AT5S 9AT5.2S 9AT9S 9AT12S 9AT15S | 9SAT3.3S 9SAT5S 9SAT5.2S 9SAT9S 9SAT12S 9SAT15S | 99 9 99 9 | 3.3 5 5.2 9 12 15 | 227 150 144 83 63 50 | 0.75 0.75 075 0.75 0.750.75 | 65 70 7072 78 80 | 128 119 119 116 107 104 | 0.20 0.20 0.20 0.20 0.20 0.20 | 15 15 15 1515 15 | ±0.20 ±0.25 ±0.25 ±0.30 ±0.40 ±040 | 115.98 115.98 115.98 115.98 115.98 |
| 12AT3.3S 12AT5S 12AT5.2S 12AT9S 12AT12S 12AT15S | 12SAT3.3S 12SAT5S 12SAT5.2S 12SAT9S 12SAT12S 12SAT15S | 12 12 12 12 1212 | 3.3 5 5.2 9 12 15 | 227 150 144 83 63 50 | 0.75 0.75 0.75 0.75 0750.75 | 66 71 71 73 78 80 | 95 88 88 86 80 78 | 0.20 0.20 0.20 0.20 0.20 0.20 | 88 8 88 8 | ±0.20 ±0.25 ±0.25 ±0.30 ±040 ±0.40 | 115.98 115.98 11598 115.98 115.98 |
| 串聯 AT-SAT 雙輸出 | |||||||||||
| PICO 插件 部件 號 | PICO 表面 貼裝 零件 編號 | 輸入 電壓。 (V直流) | 輸出 電壓 (V直流) | 最大負載 電流 (mA) | 最大輸出 功率 (瓦) | 典型值 (%) | 電流 典型 值(mA) | 輸出 電壓 紋波 @滿 載* (Vp-p max) | 空載 電流 (典型 值) (mA) | 電壓 容差 (V DC) | 價格 (美元) |
| 3AT5D 3AT9D 3AT12D 3AT15D | 3SAT5D 3SAT9D 3SAT12D 3SAT15D | 33 3 3 | 59 12 15 | 65 41 31 25 | 0.325 0.375 0.375 0.375 | 66 70 72 73 | 328 357 347 342 | 0.20 0.20 0.20 0.20 | 35 35 35 35 | ±0.25 ±0.30 ±0.40 ±0.40 | 130.66 130.66 130.66 130.66 |
| 5AT5D 5AT9D 5AT12D 5AT15D | 5SAT5D 5SAT9D 5SAT12D 5SAT15D | 59 12 15 | 75 41 31 25 | 0.375 0.375 0.375 0.375 | 69 72 75 76 | 217 208 200 197 | 0.20 0.20 0.20 0.20 | 35 25 25 25 | ±0.25 ±0.30 ±0.40 ±0.40 | 130.66 130.66 130.66 130.66 | |
| 9AT5D 9AT9D 9AT12D 9AT15D | 9SAT5D 9SAT9D 9SAT12D 9SAT15D | 99 9 9 | 59 12 15 | 75 41 31 25 | 0.375 0.375 0.375 0.375 | 70 72 78 80 | 119 116 107 104 | 0.20 0.20 0.20 0.20 | 15 15 15 15 | ±0.25 ±0.3 ±0.40 ±0.40 | 130.66 130.66 130.66 130.66 |
| 12AT5D 12AT9D 12AT12D 12AT15D | 12SAT5D 12SAT9D 12SAT12D 12SAT15D | 12 12 12 12 | 59 12 15 | 75 41 31 25 | 0.375 0.375 0.375 0.375 | 71 78 78 80 | 88 86 80 78 | 0.20 0.20 0.20 0.20 | 8 8 8 | ±0.25 ±0.30 ±0.40 ±0.40 | 130.66 130.66 130.66 130.66 |
北京市立維創展科枝是PICO公司的(de)(de)(de)的(de)(de)(de)分銷系統商。作(zuo)為國(guo)外(wai)(wai)進口(kou)PICO外(wai)(wai)接(jie)(jie)電(dian)(dian)(dian)(dian)適配器模快(kuai)、軍(jun)(jun)用裝備外(wai)(wai)接(jie)(jie)電(dian)(dian)(dian)(dian)適配器模快(kuai)、高壓(ya)(ya)低壓(ya)(ya)外(wai)(wai)接(jie)(jie)電(dian)(dian)(dian)(dian)適配器模快(kuai)、小(xiao)形配電(dian)(dian)(dian)(dian)變(bian)壓(ya)(ya)器、MIL-PRF-21038/27型號變(bian)電(dian)(dian)(dian)(dian)器、脈沖發生器變(bian)電(dian)(dian)(dian)(dian)器、400 MHz電(dian)(dian)(dian)(dian)力公司低壓(ya)(ya)變(bian)壓(ya)(ya)器、MIL-STD-1553數據接(jie)(jie)口(kou)變(bian)電(dian)(dian)(dian)(dian)器、音頻變(bian)電(dian)(dian)(dian)(dian)器、工作(zuo)電(dian)(dian)(dian)(dian)壓(ya)(ya)電(dian)(dian)(dian)(dian)感、袖珍型工作(zuo)電(dian)(dian)(dian)(dian)壓(ya)(ya)電(dian)(dian)(dian)(dian)感、EMI電(dian)(dian)(dian)(dian)感、薄DC-直(zhi)流24v電(dian)(dian)(dian)(dian)源(yuan)24v電(dian)(dian)(dian)(dian)源(yuan)模塊圖片、軍(jun)(jun)工用DC-DC主機(ji)電(dian)(dian)(dian)(dian)源(yuan)方(fang)(fang)案(an)(an)(an)(an)、磚(zhuan)塊DC-DC電(dian)(dian)(dian)(dian)源(yuan)適配器引擎(qing)、超高壓(ya)(ya)DC-DC、AC-DC電(dian)(dian)(dian)(dian)壓(ya)(ya)模組(zu)(zu)線(xian)方(fang)(fang)案(an)(an)(an)(an)、控制開(kai)(kai)關直(zhi)流電(dian)(dian)(dian)(dian)壓(ya)(ya)電(dian)(dian)(dian)(dian)壓(ya)(ya)模組(zu)(zu)線(xian)方(fang)(fang)案(an)(an)(an)(an)、丟開(kai)(kai)電(dian)(dian)(dian)(dian)壓(ya)(ya)模組(zu)(zu)線(xian)方(fang)(fang)案(an)(an)(an)(an)、航材電(dian)(dian)(dian)(dian)壓(ya)(ya)模組(zu)(zu)線(xian)方(fang)(fang)案(an)(an)(an)(an)等(deng)工作(zuo)電(dian)(dian)(dian)(dian)壓(ya)(ya)模組(zu)(zu)線(xian)方(fang)(fang)案(an)(an)(an)(an)和(he)電(dian)(dian)(dian)(dian)機(ji)功率轉換成器。原裝進口(kou)商類(lei)產品進口(kou)商,效果切實保障,的(de)(de)(de)歡迎詢問。
具體詳情認識PICO電原模塊電源請點://dev.www.zb5858.cn/brand/15.html