互聯網行業咨訊
分(fen)享時(shi)光:2024-01-24 17:13:11 瀏覽網頁:1162
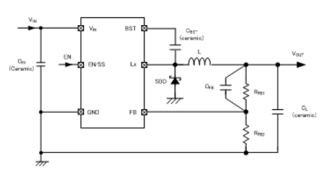
TOREX電(dian)源XC9247系列(lie)降壓DC/DC轉換器有內嵌(qian)運(yun)行(xing)在16V降壓N-溝道帶動多晶(jing)體管。輸出電(dian)流高至1.0A高效穩壓(ya)電(dian)源。負載電(dian)容(CL)能夠使用陶(tao)瓷電(dian)容等低ESR電(dian)容。
XC9247類型降血壓DC/DC裝(zhuang)換(huan)器(qi)必備(bei)條件嵌入1.0V基(ji)準值電(dian)(dian)(dian)阻功率源,轉換(huan)電(dian)(dian)(dian)阻功率可(ke)實現 外部(bu)電(dian)(dian)(dian)阻功率值任意設制。可(ke)能觸點開(kai)關概率高至1.2MHz,都(dou)可(ke)以(yi)完成(cheng)外接集成(cheng)電(dian)(dian)(dian)路芯片的(de)(de)小款化。XC9247款型減壓DC/DC轉為器(qi)內(nei)部(bu)的(de)(de)設定成(cheng)1.5ms(TYP)軟運(yun)行日(ri)期(qi),然(ran)后呢如(ru)何再用(yong)EN/SS接插件怎么安裝(zhuang)連接方式的(de)(de)內(nei)阻和(he)電(dian)(dian)(dian)容(rong)量可(ke)能私自使用(yong),比內(nei)部(bu)人員軟重啟時刻(ke)較長。
XC9247系(xi)列作品穩壓DC/DC轉為(wei)器(qi)遵循(xun)內置(zhi)UVLO用(yong)途(tu)性(xing),就能夠在測(ce)試軟件(jian)電(dian)流值不(bu)低于時立(li)即停止(zhi)驅動安裝(zhuang)結晶體(ti)管(guan)。擊穿保護嵌(qian)入式限流電(dian)源模塊適配器(qi)控(kong)制(zhi)(zhi)(zhi)電(dian)路(lu)系(xi)統(tong)原(yuan)理超溫(wen)關機時控(kong)制(zhi)(zhi)(zhi)電(dian)路(lu)系(xi)統(tong)原(yuan)理和擊穿保護電(dian)源模塊適配器(qi)控(kong)制(zhi)(zhi)(zhi)電(dian)路(lu)系(xi)統(tong)原(yuan)理。

特征英文
讀取工(gong)作電(dian)壓時間范(fan)圍:4.5V~16V(隨新產品不相同(tong),VIN區(qu)域也會有所(suo)區(qu)別)
工(gong)作輸出(chu)電流範圍:1.2V~5.6V(VFB=1.0V)(隨(sui)商(shang)品不一,VOUT位置都(dou)有所多(duo)種)
輸出的直流電(dian)壓:1A(VIN≧6V and VOUT/VIN≦50%);1A(VIN<6V and VOUT/VIN≦40%);
辦公質量:90%(VIN=12V,VOUT=5V,IOUT=200mA)
頻點時間范(fan)圍:1.2MHz
最主要pwm占空(kong)比(bi):80%
帶(dai)軟發動:里面安裝1.5ms;外表設有(you):符合于外置RC肆(si)意地(di)軟件設置;
控住方法(fa):PWM/PFM主動優(you)化(hua)掌(zhang)握
漏電(dian)庇(bi)護:功率影響(積分查詢閂鎖玩法);超溫關斷;跳閘保證(zheng);
UVLO:4.15V,5.65V,7.65V
效果濾(lv)波電容(rong)器:衛浴陶瓷濾(lv)波電容(rong)器
平均(jun)溫(wen)度條件:-40℃~+85℃
滿(man)足(zu)優質標準規(gui)定:與(yu)EU RoHS規(gui)格相當于、無(wu)鉛化
型號 | UVLO移(yi)除電流電壓(ya) | 任務幾率 | 裝封 |
XC9247B42CER-G | 4.15V | 1.2MHz | USP-6C |
XC9247B42CMR-G | 4.15V | 1.2MHz | SOT-26W |
XC9247B65CER-G | 5.65V | 1.2MHz | USP-6C |
XC9247B65CMR-G | 5.65V | 1.2MHz | SOT-26W |
XC9247B75CER-G | 7.65V | 1.2MHz | USP-6C |
XC9247B75CMR-G | 7.65V | 1.2MHz | SOT-26W |