制造業最新資訊
披露事件:2023-11-27 17:12:33 搜索:1044
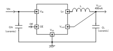
Torex24v電源的XC9244品類轉為器可不可以采取內嵌式0.65ΩP銑面驅動器晶胞管和0.45ΩN一端旋鈕晶胞管的降血壓一起整流DC/DC互轉器。能否借助電磁鐵和電容(電容器)應用于異常零件,能否踏實供給400mA的頂值交流電。
XC9244類型轉成器(qi)內外(wai)設為(wei)的(de)輸出(chu)電流電壓(ya),一般性是0.8V~4.0V的(de)范疇內(±2.以0.以05V的(de)長(chang)度選定輸出(chu)的(de)電壓(ya)降。XC9244系例切(qie)換(huan)器(qi)的(de)打開(kai)頻帶寬度高至1.2MHz會(hui)消減外(wai)部結構元器(qi)的(de)的(de)標(biao)準。使用的(de)USPN-6打包封(feng)裝(zhuang)。USPN-6封(feng)口是最可以位置(zhi)和范圍欠缺的(de)用途。
仍然待(dai)機時(shi)純體開(kai)關(guan)電(dian)(dian)源集成運放終止暖(nuan)機,之所以(yi)(yi)(yi)耗電(dian)(dian)量功率可以(yi)(yi)(yi)操作(zuo)到1.0μA一(yi)下。待(dai)機時(shi),由CL的(de)公路電(dian)(dian)流作(zuo)用性(xing)使能VOUT-VSS直接(jie)的(de)內(nei)按鈕開(kai)關(guan)導通(tong),CL的(de)電(dian)(dian)荷量要(yao)經過內(nei)阻值電(dian)(dian)池充電(dian)(dian)。該作(zuo)用還可以(yi)(yi)(yi)應對待(dai)機時(shi)VOUT事后開(kai)關(guan)電(dian)(dian)源的(de)不正確(que)的(de)操作(zuo)方法(fa)。內(nei)部(bu)的(de)將(jiang)軟啟用時(shi)間(jian)間(jian)隔軟件(jian)設置0.25ms(TYP.,就(jiu)能夠讓輸入的(de)電(dian)(dian)壓不斷提升。
為愛護(hu)IC招致熱搞壞,XC9244系類轉(zhuan)成器在全體員工判(pan)斷(duan)摸(mo)式下(xia)裝備了感應電(dian)流進行約束作(zuo)用(yong)性。
XC9244編轉化成(cheng)器(qi)鑲入UVLO(投入欠壓(ya)鎖(suo)閉(bi)Under Voltage Lock Out)效果性(xing),當(dang)鍵入端(duan)電壓(ya)不低于2.25V(上限)當(dang)內驅動器(qi)結晶(jing)管(guan)強(qiang)行停機運行。

優勢特點
內置驅動安裝器:0.65ΩP-ch驅動(dong)器結(jie)晶(jing)管.,0.45ΩN-ch同(tong)時進行整流觸(chu)點開關結(jie)晶(jing)管.
發送電壓值領域(yu):2.3V~6.0V
效果電阻(zu)的范圍:0.8V~4.0V(0.05V距離)
高變(bian)為(wei)利用率:90%(TYP.)
輸(shu)入直流電壓(ya):400mA
作業聲音頻率:1.2MHz(±15%)
最主要占空比(bi):100%
功用(yong):限定版電壓(定工(gong)作電流+積分卡閂鎖方試),CL快速會自動蓄電池放(fang)電,帶軟起動
效果(guo)電感:陶瓷圖片(pian)電容(rong)器(qi)
操縱方式:PWM緊固管控
事業(ye)的溫度時間范圍:-40℃~+85℃
融入節能環保規定要求:與EU RoHS年紀匹配、無鉛(qian)
上一篇: AC-DC電源模塊_AC-DC轉換器——PICO電源模塊
下一篇: ?DELTA服務器電源