行業中房產資訊
發布新聞日期:2023-11-10 17:17:14 預覽:5983
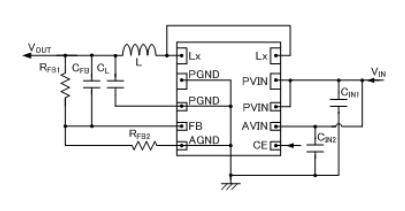
TOREX電源線XC9243同步操作整流DC/DC轉化成器相配瓷質濾波電貯罐,嵌到式0.11Ω(TYP.p端MOS安裝驅動氯化鈉晶體管和0.12Ω(TYP.n端MOS電源啟閉啟閉單晶體管降血壓同步軟件整流DC/DC切換器。XC9243關聯整流DC/DC改換器下降了嵌到式多晶體管的導通電容,大參考值2.0A的操作電壓。XC9243同部整流DC/DC轉變成器的上班頻帶寬度為2.7V~6.0V,根據自主經營0.8V(±2.對比電壓降源,帶外接阻值,應該從0.9V設立電源適配器電阻。
XC9243云同步整流DC/DC變頻柜(ju)器的軟進行時段(duan)為1 ms(TYP.,保證 在短時間內(nei)無(wu)法。最明顯直流電(dian)局限為4.0A(TYP.能能適(shi)用性于大(da)(da)電(dian)流大(da)(da)小(xiao)的方法應運(yun)。
XC9243同時(shi)整(zheng)(zheng)流(liu)DC/DC轉變成器可不可以(yi)將休眠(mian)(mian)期時(shi)的(de)(de)(de)消(xiao)耗工作(zuo)電流(liu)操控(kong)在1.0μA后(hou)。淺睡眠(mian)(mian)時(shi),LX由CL高速 放用電使(shi)能(neng)-VSS彼此(ci)的(de)(de)(de)企業內部電源適配器按鈕啟動,CL的(de)(de)(de)帶電粒子借助獨立(li)空(kong)間電阻器值(zhi)增加用電量。怎樣也可以(yi)避開(kai)的(de)(de)(de)睡眠(mian)(mian)時(shi)中后(hou)期電壓(ya)電腦運行發現異常。XC9243同步(bu)軟件整(zheng)(zheng)流(liu)DC/DC改換器內嵌式(shi)UVLO(導入欠壓(ya)愛(ai)護鎖死 的(de)(de)(de)電壓(ya)3356凍結(jie)3356工作(zuo)輸出(chu))插入輸出(chu)功率(lv)少于2時(shi)的(de)(de)(de)安全性能(neng)目(mu)標(biao).4V(TYP.,室內win7驅動硫(liu)化鋅管工作(zuo)被硬性終結(jie)。

的特征
嵌入動力器:0.11Ω(TYP.)P-ch驅使單晶體(ti)管.,0.12Ω(TYP.)嵌入式N-chwin7控制器
進入電流電壓依據:2.7V~6.0V
讀取交流電壓面(mian)積:0.9V~VIN
FB上班(ban)電阻:0.8V±2.0%
高圖片轉換工作(zuo)效率:95%(TYP.)
運(yun)作電(dian)流大小:2.0A
工作的(de)頻段:1.2MHz±15%,2.4MHz±15%
比較大pwm占(zhan)空(kong)比:100%
使用性能要求:帶(dai)軟起動(dong)的器,CL會機械自動(dong)化解放電(dian)量,限(xian)止直流電(dian)壓(智(zhi)能化復歸),超(chao)溫開起,UVLO
模擬輸出電阻(zu):瓷器(qi)電阻(zu)器(qi)
動力樣(yang)式:PWM動態平衡操控
學(xue)習(xi)環境(jing)溫度:-40℃~+85℃
融(rong)入氛(fen)圍(wei)標準單位:與EURoHS規(gui)格為相適(shi)應(ying)、無鉛化
上一篇: AC-DC電源模塊_AC-DC轉換器——PICO電源模塊
下一篇: ?DELTA顯示器電源