企業訊息
上線的時(shi)間:2023-10-25 17:07:43 預(yu)覽:994
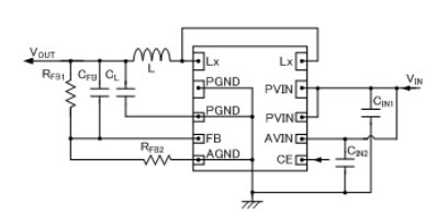
TOREX的XC9242系例是可能相對應的衛浴陶瓷電容(電容器),內嵌0.11Ω(TYP.)P一端MOSwin7驅動晶胞管及0.12Ω(TYP.)N銑面MOS電開關結晶體管的降血壓此次整流DC/DC改變器。XC9242系列表DC/DC互轉器減小放到結晶體管的導通熱敏電阻,能高率的率,可靠的提拱極高2.0A的傷害電流大小。的工作頻繁 比率在2.7V~6.0V,可以通過自身業務0.8V(±2.0%)的國家標準電流電壓源,用外接電容能隨性的從0.9V設置成輸送電壓電流。
XC9242(PWM操控性)才能考慮1.2MHz和(he)2.4MHz的轉換開關幀率。軟起動時日期(qi)在(zai)1ms(TYP.),保證迅速的享(xiang)受。較高局限(xian)電(dian)壓電(dian)流(liu)為(wei)4.0A(TYP.),能非常適合高電(dian)流(liu)電(dian)壓的應(ying)用。
XC9242系列作品DC/DC切換(huan)器(qi)在待機時會把(ba)消耗的資金電(dian)流量的控制在1.0μA下(xia)述。在待機時,由CL髙速發出電(dian)耐腐(fu)蝕性使LX-VSS內的的結(jie)構轉換(huan)開關導(dao)通,使用主觀能動性內阻使CL的帶電(dian)粒子(zi)尖(jian)端放(fang)電(dian)。這能在待機時以防中后期主機電(dian)源的差錯操控。XC9242型(xing)號DC/DC變為器(qi)內部自(zi)帶UVLO(輸(shu)出欠壓閘(zha)門啟閉機Under Voltage Lock Out)功能,在鍵入額定電壓低(di)于(yu)2.4V(TYP.)時,硬性地結束內(nei)部安裝驅動(dong)氯化鈉晶體管(guan)工作。

功能
置入能夠器(qi):0.11Ω(TYP.)P-ch驅動(dong)器(qi)晶胞管(guan).,0.12Ω(TYP.)鑲(xiang)入N-ch驅動(dong)下載器(qi)
插(cha)入工作電壓(ya)位置:2.7V~6.0V
轉換電壓(ya)降(jiang)依據(ju):0.9V~VIN
FB電流(liu)電壓:0.8V±2.0%
高轉化(hua)成轉化(hua)率:95%(TYP.)
傷害功(gong)率:2.0A
頻點時間范圍(wei):1.2MHz±15%,2.4MHz±15%
很高占空(kong)比:100%
安全性(xing)能:帶軟(ruan)重新啟動(dong),CL自動(dong)式蓄電(dian)池充電(dian),制約感應電(dian)流(自動(dong)化(hua)復歸(gui)),起(qi)熱關(guan)斷,UVLO
輸入電感器:瓷質電感器
制動(dong)系統措施(shi):PWM加(jia)固控住
氣溫標準:-40℃~+85℃
適用于安全指定:與(yu)EURoHS品種(zhong)以(yi)及、無鉛化
TOREX光電器件包括作為COMS、感測器器、電子元(yuan)(yuan)元(yuan)(yuan)件大家庭中的一員(yuan)-二極管等元(yuan)(yuan)元(yuan)(yuan)件,產品的以小體積大小、性(xing)能參數(shu)菁英而很多聞(wen)名。
珠海(hai)市立維創(chuang)展(zhan)科技發展(zhan)現有單位(wei),特點分銷(xiao)商TOREX電原元(yuan)器(qi)件,不少現貨交易貨源,歡迎會合作方(fang)式。
詳細情況熟知TOREX請彈窗://dev.www.zb5858.cn/brand/62.html
主(zhu)要(yao)參數 | 參考(kao)選取電(dian)壓電(dian)流 | 事業幾率(lv) | 打包封裝 |
XC9242B08CDR-G | 0.8V | 1.2MHz | USP-10B |
XC9242B08DDR-G | 0.8V | 2.4MHz | USP-10B |
上一篇: AC-DC電源模塊_AC-DC轉換器——PICO電源模塊
下一篇: ?DELTA工業電源