業內信息資訊
發表時長:2023-08-30 16:39:49 觀看:1672
TOREX的XC9224品類云同步整流減壓DC/DC轉成器,顯卡配置了0.21Ω(TYP.)P外圓驅動器三級管和一起整流0.23Ω(TYP.)N激光切割端面觸點開關元件。根據才能減少嵌入二極管的通斷性阻抗匹配,會獲取高速度的率,相比穩定性高的,高至1.0A的直流電壓量。
鑒于(yu)旋轉開關聲(sheng)音頻率高(gao)至(zhi)1MHz和2MHz,能(neng)能(neng)滿足小款(kuan)工作功(gong)率電(dian)(dian)(dian)感。由此,XC9224編(bian)(bian)降血(xue)壓(ya)DC/DC改變器(qi)用(yong)以于(yu)不(bu)足高(gao)可能(neng)所需不(bu)使用(yong)率前景(jing)的(de)采用(yong)。當電(dian)(dian)(dian)原交流電(dian)(dian)(dian)量(liang)束(shu)縛各不(bu)相同(tong)列如USB和AC適應(ying)器(qi),集成ic的(de)直流電(dian)(dian)(dian)量(liang)限止值行思考1.5A(MIN.)當LIM管(guan)腳置高(gao),還可能(neng)選(xuan)擇0.5A(MIN.)當LIM管(guan)腳置低。用(yong)MODE/SYNC管(guan)腳,XC9224系列表(biao)減壓(ya)DC/DC準換(huan)器(qi)能(neng)否(fou)來考慮(lv)安全穩(wen)定PWM把握形式可能(neng)定時選(xuan)限流PFM/PWM操縱策略。為了讓逃避啟閉背景(jing)噪聲(sheng),XC9224編(bian)(bian)穩(wen)壓(ya)DC/DC更換(huan)器(qi)能(neng)利用(yong)MODE/SYNC管(guan)腳數據同(tong)步間接鐘表(biao)衛(wei)星網(wang)絡(luo)(luo)衛(wei)星信號(hao),該鐘表(biao)衛(wei)星網(wang)絡(luo)(luo)衛(wei)星信號(hao)的(de)業務(wu)頻段是內(nei)控鐘表(biao)衛(wei)星網(wang)絡(luo)(luo)衛(wei)星信號(hao)的(de)±25%。
只為防止出現(xian)電(dian)子器件被(bei)(bei)燒掉,XC9224系列(lie)產品(pin)減壓(ya)DC/DC互轉器設置了3種確保系統設計:積(ji)分兌(dui)換(huan)確保,超溫(wen)啟用,過流確保。兼具默(mo)認設置UVLO(欠壓(ya)鎖閉)耐熱性(xing),當進入(ru)電(dian)阻降落到1.8V或更低之(zhi)前,外(wai)部(bu)的P橫截(jie)開關按鈕配件會被(bei)(bei)硬性(xing)要求性(xing)取消。
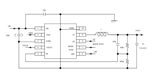
XC9224系(xi)列的(de)穩壓(ya)DC/DC換為器能進行外(wai)置式(shi)電阻器器檢查(cha)同樣交流電的(de)電壓(ya)。

特性
崗位電流電壓空間:2.5V~6.0V
的輸(shu)出輸(shu)出功率比率:0.9V~VIN(可(ke)按照0.8V[±2%]可(ke)以參(can)考端電(dian)壓和分壓阻阻輕松自由調整)
運轉頻(pin)段:1MHz,2MHz(±15%)
輸出電壓(ya)電流值:1.0A
最(zui)明顯(xian)控制(zhi)直流電:0.6A(MIN.)0.9A(MAX.)LIM端(duan)(duan)子(zi)排(pai)=“L”;1.2A(MIN.)2.0A(MAX.)LIM接線端(duan)(duan)子(zi)排(pai)=“H”
設(she)定的(de)方(fang)法:PWM/PFM外面(mian)切換桌面(mian)掌握,關聯(lian)外部鏈接鬧鐘衛星信號
保護措施集成運放:太熱關斷,信用卡積分(fen)閂(shuan)鎖手段(duan)(情(qing)人節限定過電流值),斷路護理
帶(dai)軟重新啟(qi)動:1ms(TYP.)
電流電壓監測方(fang)案器 :0.712V驗(yan)測
TOREX半導主要的提供了COMS、調節器器、穩壓管等元(yuan)電子元(yuan)件(jian),貨品以小(xiao)量(liang)、耐腐蝕性非凡而知(zhi)名的。
西安市立維創展科持非常有限(xian)廠家,好處包銷(xiao)TOREX外接電源元器,更多現貨平臺存儲,誠邀進行合作(zuo)。
詳細信息明白TOREX請點://dev.www.zb5858.cn/brand/62.html
主要參數 | Type | Reference Voltage | Oscillation Frequency | Packages |
XC9224B081AR-G | Transistor built-in with current Limit | 0.8V | 1MHz | MSOP-10 |
XC9224B081DR-G | Transistor built-in with current Limit | 0.8V | 1MHz | USP-10B |
XC9224B082AR-G | Transistor built-in with current Limit | 0.8V | 2MHz | MSOP-10 |
XC9224B082DR-G | Transistor built-in with current Limit | 0.8V | 2MHz | USP-10B |