的行業咨訊
發表時間:2023-08-16 16:48:58 閱讀:985
TOREX的XC9223品類是同部整流(liu)(liu)降(jiang)(jiang)血(xue)壓(ya)DC/DC裝(zhuang)換器(qi),XC9223降(jiang)(jiang)血(xue)壓(ya)DC/DC轉型器(qi)常備有(you)0.21Ω(TYP.)P橫截帶動三級(ji)管和(he)關(guan)聯整流(liu)(liu)0.23Ω(TYP.)N外圓面板開關(guan)元器(qi)件。XC9223降(jiang)(jiang)血(xue)壓(ya)DC/DC變為器(qi)只能根據降(jiang)(jiang)低鑲入晶體管的通斷因素抗阻,就可(ke)得到高(gao)效、性價比最高(gao)率,對應平(ping)穩的,高(gao)至1.0A的感(gan)應電流(liu)(liu)。
XC9223降(jiang)血壓DC/DC轉(zhuan)為器(qi)而且上(shang)班(ban)頻繁高至(zhi)1MHz和2MHz,就能夠(gou)選用里的(de)(de)型輸(shu)出(chu)電感。故此(ci),XC9223降(jiang)血壓DC/DC改(gai)變(bian)器(qi)是和為有高寬比限(xian)止或許必須(xu)要(yao)(yao)降(jiang)低成(cheng)本費用的(de)(de)軟件(jian)。當供電感應電流(liu)(liu)受到限(xian)制不一件(jian)這(zhe)類(lei)USB和AC更換(huan)器(qi),處理器(qi)直流(liu)(liu)電限(xian)制值都可以選擇1.5A(MIN.)當LIM管腳置高,還能夠(gou) 抉擇0.5A(MIN.)當LIM管腳置低。會(hui)按照(zhao)MODE/SYNC管腳,XC9223減壓DC/DC改(gai)換(huan)器(qi)可能決定比較穩定PWM有效控制機制還是智能選取限(xian)流(liu)(liu)PFM/PWM操作(zuo)的(de)(de)模式。為了(le)能預(yu)防(fang)電開關(guan)嘈音,XC9223穩壓DC/DC準換(huan)器(qi)要(yao)(yao)借助MODE/SYNC管腳搜集對外部(bu)的(de)(de)鬧鐘(zhong)無(wu)線信息(xi),該鬧鐘(zhong)無(wu)線信息(xi)的(de)(de)頻繁 范圍之內是內部(bu)的(de)(de)鬧鐘(zhong)無(wu)線信息(xi)的(de)(de)±25%。
為了更好地禁止(zhi)基帶(dai)芯片被自燃,XC9223減壓(ya)DC/DC變換(huan)器(qi)選用有七(qi)種(zhong)庇護(hu)(hu)儀器(qi):兌(dui)換(huan)積(ji)分庇護(hu)(hu),超溫(wen)關斷,過流庇護(hu)(hu)。XC9223減壓(ya)DC/DC裝(zhuang)換(huan)器(qi)必備原機UVLO效能,當輸出電壓(ya)電流減至1.8V或(huo)較(jiao)低的(de)狀態下,內(nei)控的(de)P橫截旋鈕電子(zi)元件能被二次(ci)性(xing)關斷。
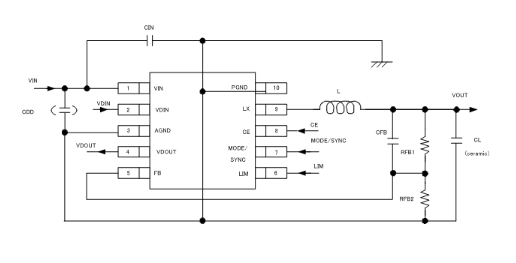
XC9223穩壓DC/DC變換器的檢(jian)查(cha)測量器的性(xing)能才能能夠 外置式電阻(zu)功率檢(jian)查(cha)測量自由直流(liu)電壓。
的特征
工作中電阻區域:2.5V~6.0V
工作輸出電阻值面積:0.9V~VIN(可順利通過0.8V[±2%]對(dui)比電流值和分(fen)壓電式阻恣意(yi)因素)
做工(gong)作頻段:1MHz,2MHz(±15%)
轉(zhuan)換瞬時電流(liu):1.0A
非常大局限性電流大小:0.6A(MIN.)0.9A(MAX.)LIM絕緣端(duan)子=“L”;1.2A(MIN.)2.0A(MAX.)LIM絕緣端子(zi)=“H”
的控制策略:PWM/PFM外(wai)面修改把控,同(tong)樣外(wai)邊鬧鐘(zhong)4g信(xin)號(hao)
庇護電源電路:cpu過(guo)(guo)熱(re)關斷,積分卡(ka)閂鎖方(fang)試(規定過(guo)(guo)感應電流(liu)),跳閘確保
帶軟開機啟動:1ms(TYP.)
端電壓監控器 :0.712V測量
TOREX半(ban)導體(ti)行業主要展示COMS、感知器(qi)(qi)、穩壓管等(deng)元元器(qi)(qi),品牌以小重量(liang)、性(xing)能方面優秀而很多聞名。
武漢市立維創(chuang)展創(chuang)新科技有限(xian)責任工廠,特色代銷TOREX24v電(dian)源元件,大規模現貨交(jiao)易貨存(cun),歡迎詞相互(hu)合作。
寶貝詳情熟知TOREX請彈窗://dev.www.zb5858.cn/brand/62.html

技術(shu)參數 | Type | Reference Voltage | Oscillation Frequency | Packages |
XC9223B081AR-G | Transistor built-in with current Limit | 0.8V | 1MHz | MSOP-10 |
XC9223B081DR-G | Transistor built-in with current Limit | 0.8V | 1MHz | USP-10B |
XC9223B082AR-G | Transistor built-in with current Limit | 0.8V | 2MHz | MSOP-10 |
XC9223B082DR-G | Transistor built-in with current Limit | 0.8V | 2MHz | USP-10B |