行業內內容
發布了時(shi)間:2023-07-20 17:01:44 挑選:1530
SILERGY(矽力杰)SQ76001RCC是款3MHz、1.2A一起減壓電源穩壓器,SQ76001RCC在另一微商中小行打包封裝(2.5mm×2.0mm,H=1.1mm)中集成系統系統化耗油率電感和集成系統系統集成電路芯片。SQ76001RCC便捷化,3MHz,1.2A嵌到輸出功率電感同步軟件穩壓三相調壓器。

特點
內外部控制面板開關(上方/底邊(bian))低RDS(ON):230mΩ/150mΩ
集成化化電感以上限底(di)限大(da)大(da)減少外界元件和PCB整個(ge)設汁
2.5~5.5V的電壓范圍(wei)之內
1.2A陸(lu)續(xu)性(xing)輸(shu)出精度交流電耐腐(fu)蝕性(xing)
3MHz高工作中頻段最(zui)好底限降低了外部結構模塊電(dian)源
內壁(bi)軟無法(fa)調控浪涌電壓電流(liu)
100%Dropout操作(zuo)
需(xu)要滿足(zu)RoHS準則且無鹵素燈泡
輸送(song)系(xi)統自動(dong)充發出電用途
緊促(cu)型封(feng)口:QFN2.5×2-8
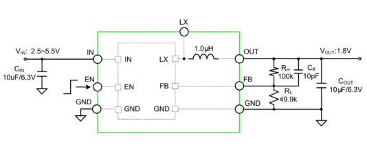
SILERGY(矽力杰)核心生產的開關電源適配器電子配件、開關電源適配器信息模塊等摸擬配件。根據SQ76001RCC市場價高,交貨期長,市場推薦英文pin to pin原位換用SQ76001RCC,充當應用為:MUN3CAD01-SB,MUN3CAD01-SB高效(xiao)率DC/DC外(wai)接(jie)電(dian)源板塊。在2.5V和5.5V進入電(dian)阻值條件內的環(huan)境下電(dian)流大(da)小高至(zhi)1.2A時出現(xian)+1.8V輸出的電(dian)壓降(jiang)。MUN3CAD01-SB旋鈕的頻(pin)率為3.0MHz,用所(suo)提(ti)拱的模塊圖片可實(shi)行高至(zhi)90%的工作(zuo)效(xiao)率。期貨(huo)優缺(que)點價錢,青睞服(fu)務咨詢。
詳情介紹要了解MUN3CAD01-SB請鼠(shu)標單擊(ji)://dev.www.zb5858.cn/article/2669.html