業資訊、短視頻軟件
發布公告用時:2023-06-02 16:54:17 查詢:1569
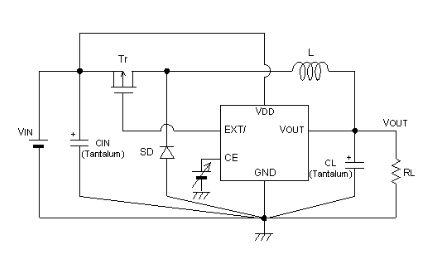
TOREX XC6366系(xi)列內嵌高速低通態電(dian)阻(zu)驅動器(qi)(qi)的(de)通用型(xing)高頻(pin)率(lv)降壓(ya)DC/DC控制(zhi)器(qi)(qi)集成電(dian)路。應用晶體管,電(dian)感線圈,二極管和電(dian)容器(qi)(qi)共4種(zhong)外接器(qi)(qi)件(jian),可(ke)搭(da)建輸(shu)出電(dian)流為1A之上高效化(hua)降壓(ya)DC/DC轉換器(qi)(qi)。
XC6366型(xing)號減壓DC/DC抑制器要能在(zai)1.5V~6.0V(精密度單(dan)位±2.5%)區域(yu)范圍內(nei),以0.1V的寬度實行設為(VOUT型(xing))。有(you)時,去掉VOUT型(xing)之(zhi)下,還(huan)都(dou)具有(you)內(nei)嵌(qian)式(shi)1.0V的基點交流(liu)輸(shu)出功率(lv)(lv)源,會外接(jie)電子(zi)元件自由選擇制定工作輸(shu)出交流(liu)輸(shu)出功率(lv)(lv)的型(xing)號樣式(shi)樣式(shi)(FB型(xing))。
因電開關頻次高至300kHz,能(neng)用(yong)大中(zhong)型(xing)型(xing)外接器(qi)(qi)材。XC6366型(xing)號(hao)降血壓DC/DC有效傳感器(qi)(qi)在(zai)小負載(zai)電阻時,PWM/PFM調節(jie)管(guan)控型(xing)XC6366類別以PFM施操(cao)作業形勢確(que)定(ding)(ding)操(cao)作。所以,在(zai)從小的時候額定(ding)(ding)載(zai)荷(he)到大打印輸出電流值的局部額定(ding)(ding)載(zai)荷(he)范圍內內,體現優質(zhi)化(hua)。
XC6366一系列穩壓DC/DC設(she)定器軟(ruan)再啟動時間段有(you),在裝置設(she)為為10ms的型號型號(A,B型),非常用于外接電感(gan)和電感(gan)器來進行改進的的技術(shu)參(can)數(shu)尺寸(C,D型)。
XC6366全系列(lie)穩壓(ya)DC/DC把控好器技術應用(yong)待機(ji)安全性能,可(ke)關(guan)閉程序執行使交流電(dian)量耗費保證(zheng) 0.5μA下列(lie)(CE端"L")。
XC6366全系列減壓(ya)DC/DC保持器(qi)鑲(xiang)入UVLO穩定性(xing),當插入線(xian)電阻在普通 交流電線(xian)電阻以內時,會禁(jin)止性(xing)的把外接結晶體(ti)管(guan)剪斷(duan)。
特征參數
發送(song)電壓降(jiang)范圍(wei)內(nei):2.2V~10V
傷害(hai)電(dian)阻值位置:1.5V~6.0V(0.1V邊距),±2.5%
運行幾率:300kHz±15%,投資者個性180,500kHz
傳輸感應電流:1.0A(VIN=5.0V,VOUT=3.0V)
高改換率:92%(TYP.)
待電(dian)氣流:ISTB=0.5μA(MAX.)
TOREX半導基本提高COMS、傳感應器(qi)器(qi)、二級管等元器(qi)材,服務以小(xiao)體型大小(xiao)、性菁英而(er)知名的。
東莞市立維創(chuang)展(zhan)科(ke)枝(zhi)受限品牌,長處(chu)二級分銷TOREX外接電源元器件(jian),多期貨(huo)銷量,的歡迎(ying)合作(zuo)方式。
情況熟知 TOREX請雙擊://dev.www.zb5858.cn/brand/62.html

主要(yao)參數 | Type | Output Voltage | Oscillation Frequency | Packages |
XC6366A152ER-G | VOUT type: internally set-up, Soft-start internally set-up | 1.5V | 180kHz | USP-6C |
XC6366A152MR-G | VOUT type: internally set-up, Soft-start internally set-up | 1.5V | 180kHz | SOT-25 |
XC6366A153ER-G | VOUT type: internally set-up, Soft-start internally set-up | 1.5V | 300kHz | USP-6C |
XC6366A153MR-G | VOUT type: internally set-up, Soft-start internally set-up | 1.5V | 300kHz | SOT-25 |
XC6366A155ER-G | VOUT type: internally set-up, Soft-start internally set-up | 1.5V | 500kHz | USP-6C |
XC6366A155MR-G | VOUT type: internally set-up, Soft-start internally set-up | 1.5V | 500kHz | SOT-25 |
XC6366A162ER-G | VOUT type: internally set-up, Soft-start internally set-up | 1.6V | 180kHz | USP-6C |
XC6366A162MR-G | VOUT type: internally set-up, Soft-start internally set-up | 1.6V | 180kHz | SOT-25 |
XC6366A163ER-G | VOUT type: internally set-up, Soft-start internally set-up | 1.6V | 300kHz | USP-6C |
XC6366A163MR-G | VOUT type: internally set-up, Soft-start internally set-up | 1.6V | 300kHz | SOT-25 |
XC6366A165ER-G | VOUT type: internally set-up, Soft-start internally set-up | 1.6V | 500kHz | USP-6C |
XC6366A165MR-G | VOUT type: internally set-up, Soft-start internally set-up | 1.6V | 500kHz | SOT-25 |
XC6366A172ER-G | VOUT type: internally set-up, Soft-start internally set-up | 1.7V | 180kHz | USP-6C |
XC6366A172MR-G | VOUT type: internally set-up, Soft-start internally set-up | 1.7V | 180kHz | SOT-25 |
XC6366A173ER-G | VOUT type: internally set-up, Soft-start internally set-up | 1.7V | 300kHz | USP-6C |
XC6366A173MR-G | VOUT type: internally set-up, Soft-start internally set-up | 1.7V | 300kHz | SOT-25 |
XC6366A175ER-G | VOUT type: internally set-up, Soft-start internally set-up | 1.7V | 500kHz | USP-6C |
XC6366A175MR-G | VOUT type: internally set-up, Soft-start internally set-up | 1.7V | 500kHz | SOT-25 |
XC6366A182ER-G | VOUT type: internally set-up, Soft-start internally set-up | 1.8V | 180kHz | USP-6C |
XC6366A182MR-G | VOUT type: internally set-up, Soft-start internally set-up | 1.8V | 180kHz | SOT-25 |
XC6366A183ER-G | VOUT type: internally set-up, Soft-start internally set-up | 1.8V | 300kHz | USP-6C |
XC6366A183MR-G | VOUT type: internally set-up, Soft-start internally set-up | 1.8V | 300kHz | SOT-25 |
XC6366A185ER-G | VOUT type: internally set-up, Soft-start internally set-up | 1.8V | 500kHz | USP-6C |
XC6366A185MR-G | VOUT type: internally set-up, Soft-start internally set-up | 1.8V | 500kHz | SOT-25 |
XC6366A192ER-G | VOUT type: internally set-up, Soft-start internally set-up | 1.9V | 180kHz | USP-6C |