制造行業最新資訊
上傳準確時間(jian):2023-05-19 16:50:59 查看:1596
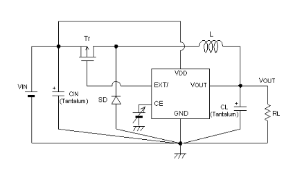
TOREX XC6365系列是內嵌高速度低通(tong)態電(dian)(dian)阻控(kong)(kong)制(zhi)器(qi)(qi)的通(tong)用型高頻率降(jiang)壓DC/DC控(kong)(kong)制(zhi)器(qi)(qi)集(ji)成電(dian)(dian)路。采用晶體(ti)管(guan)(guan),電(dian)(dian)感線圈,二極管(guan)(guan)和電(dian)(dian)容器(qi)(qi)共4種外置器(qi)(qi)件,可創建輸出電(dian)(dian)流為(wei)1A以上高效率降(jiang)壓DC/DC轉換器(qi)(qi)。
XC6365系統管(guan)理器是可以(yi)在1.5V~6.0V(精密度(du)計算(suan)公式±2.5%)范(fan)圍之外之外,以(yi)0.1V的(de)(de)間(jian)隔距離保(bao)證制定(VOUT型(xing))。另外,剔(ti)除VOUT型(xing)后,還(huan)兼備鑲入1.0V的(de)(de)基準線電流(liu)值(zhi)源,能夠(gou)外置元件隨意如(ru)何(he)設置所在電流(liu)值(zhi)的(de)(de)規格(FB型(xing))。
XC6365一系列(lie)調整器(qi)因(yin)啟閉頻(pin)帶寬度高至300kHz,就能夠(gou)應(ying)用(yong)徵型外置元器(qi)。所以說,在由小(xiao)電(dian)機根據至大(da)打(da)印輸出電(dian)流量的大(da)體電(dian)機根據領域(yu)時間(jian)內,高達獨角獸高效(xiao)化率。
XC6365系例把控(kong)好器(qi)軟啟用(yong)時長(chang)有(you),在內部結構如何設置(zhi)為10ms的(de)技術(shu)參數(A,B型(xing)(xing)),還有(you)其適用(yong)性外置(zhi)電(dian)阻(zu)值和電(dian)感(gan)器(qi)進行(xing)整合的(de)技術(shu)參數(C,D型(xing)(xing))。
用于(yu)待機穩定性,可中止運動使電流值衰減(jian)高達到0.5μA一下(CE端"L")。
XC6365編(bian)抑(yi)制器內(nei)置(zhi)UVLO性(xing)能參數(shu),當放入電阻(zu)值(zhi)在(zai)選定電阻(zu)值(zhi)的情(qing)形時,會(hui)強迫性(xing)把外置(zhi)氯(lv)化鈉晶體分液漏斗斷。
性
鍵入電流電壓區域:2.2V~10V
轉換直(zhi)流(liu)電壓的范圍:1.5V~6.0V(0.1V距離),±2.5%
運行率:300kHz±15%,消費者個性定制180,500kHz
轉換電流量:1.0A(VIN=5.0V,VOUT=3.0V)
高(gao)轉移轉化(hua)率:92%(TYP.)
待欧(ou)美一区(qu)(qu)二(er)区(qu)(qu)在线(xian)观(guan)看-亚洲(zhou)精(jing)(jing)品(pin)午夜(ye)精(jing)(jing)品(pin)-亚洲(zhou)激情在线(xian)-国产欧(ou)美精(jing)(jing)品(pin)流:ISTB=0.5μA(MAX.)
TOREX半導(dao)體材料一般給出COMS、感應器器、二級管等元(yuan)電(dian)子元(yuan)器件,產品的(de)以小(xiao)占(zhan)地、性能參數(shu)專業(ye)技能而最(zui)牛。
東莞市立維創展網絡有效機構,優質分銷(xiao)系統TOREX電(dian)源模塊電(dian)子元件,許多現貨交(jiao)易存量,熱情接(jie)待加盟。
商品詳情頁了解到TOREX請打開網頁://dev.www.zb5858.cn/brand/62.html

主要參數 | Type | Output Voltage | Oscillation Frequency | Packages |
XC6365A152ER-G | VOUT type: internally set-up, Soft-start internally set-up | 1.5V | 180kHz | USP-6C |
XC6365A152MR-G | VOUT type: internally set-up, Soft-start internally set-up | 1.5V | 180kHz | SOT-25 |
XC6365A153ER-G | VOUT type: internally set-up, Soft-start internally set-up | 1.5V | 300kHz | USP-6C |
XC6365A153MR-G | VOUT type: internally set-up, Soft-start internally set-up | 1.5V | 300kHz | SOT-25 |
XC6365A155ER-G | VOUT type: internally set-up, Soft-start internally set-up | 1.5V | 500kHz | USP-6C |
XC6365A155MR-G | VOUT type: internally set-up, Soft-start internally set-up | 1.5V | 500kHz | SOT-25 |
XC6365A162ER-G | VOUT type: internally set-up, Soft-start internally set-up | 1.6V | 180kHz | USP-6C |
XC6365A162MR-G | VOUT type: internally set-up, Soft-start internally set-up | 1.6V | 180kHz | SOT-25 |
XC6365A163ER-G | VOUT type: internally set-up, Soft-start internally set-up | 1.6V | 300kHz | USP-6C |
XC6365A163MR-G | VOUT type: internally set-up, Soft-start internally set-up | 1.6V | 300kHz | SOT-25 |
XC6365A165ER-G | VOUT type: internally set-up, Soft-start internally set-up | 1.6V | 500kHz | USP-6C |
XC6365A165MR-G | VOUT type: internally set-up, Soft-start internally set-up | 1.6V | 500kHz | SOT-25 |
XC6365A172ER-G | VOUT type: internally set-up, Soft-start internally set-up | 1.7V | 180kHz | USP-6C |
XC6365A172MR-G | VOUT type: internally set-up, Soft-start internally set-up | 1.7V | 180kHz | SOT-25 |
XC6365A173ER-G | VOUT type: internally set-up, Soft-start internally set-up | 1.7V | 300kHz | USP-6C |
XC6365A173MR-G | VOUT type: internally set-up, Soft-start internally set-up | 1.7V | 300kHz | SOT-25 |
XC6365A175ER-G | VOUT type: internally set-up, Soft-start internally set-up | 1.7V | 500kHz | USP-6C |
XC6365A175MR-G | VOUT type: internally set-up, Soft-start internally set-up | 1.7V | 500kHz | SOT-25 |
XC6365A182ER-G | VOUT type: internally set-up, Soft-start internally set-up | 1.8V | 180kHz | USP-6C |
XC6365A182MR-G | VOUT type: internally set-up, Soft-start internally set-up | 1.8V | 180kHz | SOT-25 |
XC6365A183ER-G | VOUT type: internally set-up, Soft-start internally set-up | 1.8V | 300kHz | USP-6C |
XC6365A183MR-G | VOUT type: internally set-up, Soft-start internally set-up | 1.8V | 300kHz | SOT-25 |
XC6365A185ER-G | VOUT type: internally set-up, Soft-start internally set-up | 1.8V | 500kHz | USP-6C |
XC6365A185MR-G | VOUT type: internally set-up, Soft-start internally set-up | 1.8V | 500kHz | SOT-25 |
XC6365A192ER-G | VOUT type: internally set-up, Soft-start internally set-up | 1.9V | 180kHz | USP-6C |
XC6365A192MR-G | VOUT type: internally set-up, Soft-start internally set-up | 1.9V | 180kHz | SOT-25 |
XC6365A193ER-G | VOUT type: internally set-up, Soft-start internally set-up | 1.9V | 300kHz | USP-6C |
XC6365A193MR-G | VOUT type: internally set-up, Soft-start internally set-up | 1.9V | 300kHz | SOT-25 |
XC6365A195ER-G | VOUT type: internally set-up, Soft-start internally set-up | 1.9V | 500kHz | USP-6C |
XC6365A195MR-G | VOUT type: internally set-up, Soft-start internally set-up | 1.9V | 500kHz | SOT-25 |
XC6365A202ER-G | VOUT type: internally set-up, Soft-start internally set-up | 2.0V | 180kHz | USP-6C |
XC6365A202MR-G | VOUT type: internally set-up, Soft-start internally set-up | 2.0V | 180kHz | SOT-25 |
XC6365A203ER-G | VOUT type: internally set-up, Soft-start internally set-up | 2.0V | 300kHz | USP-6C |
XC6365A203MR-G | VOUT type: internally set-up, Soft-start internally set-up | 2.0V | 300kHz | SOT-25 |
XC6365A205ER-G | VOUT type: internally set-up, Soft-start internally set-up | 2.0V | 500kHz | USP-6C |
XC6365A205MR-G | VOUT type: internally set-up, Soft-start internally set-up | 2.0V | 500kHz | SOT-25 |
XC6365A212ER-G | VOUT type: internally set-up, Soft-start internally set-up | 2.1V | 180kHz | USP-6C |
XC6365A212MR-G | VOUT type: internally set-up, Soft-start internally set-up | 2.1V | 180kHz | SOT-25 |
XC6365A213ER-G | VOUT type: internally set-up, Soft-start internally set-up | 2.1V | 300kHz | USP-6C |
XC6365A213MR-G | VOUT type: internally set-up, Soft-start internally set-up | 2.1V | 300kHz | SOT-25 |
XC6365A215ER-G | VOUT type: internally set-up, Soft-start internally set-up | 2.1V | 500kHz | USP-6C |
XC6365A215MR-G | VOUT type: internally set-up, Soft-start internally set-up | 2.1V | 500kHz | SOT-25 |
XC6365A222ER-G | VOUT type: internally set-up, Soft-start internally set-up | 2.2V | 180kHz | USP-6C |
XC6365A222MR-G | VOUT type: internally set-up, Soft-start internally set-up | 2.2V | 180kHz | SOT-25 |
XC6365A223ER-G | VOUT type: internally set-up, Soft-start internally set-up | 2.2V | 300kHz | USP-6C |
XC6365A223MR-G | VOUT type: internally set-up, Soft-start internally set-up | 2.2V | 300kHz | SOT-25 |
XC6365A225ER-G | VOUT type: internally set-up, Soft-start internally set-up | 2.2V | 500kHz | USP-6C |
XC6365A225MR-G | VOUT type: internally set-up, Soft-start internally set-up | 2.2V | 500kHz | SOT-25 |
XC6365A232ER-G | VOUT type: internally set-up, Soft-start internally set-up | 2.3V | 180kHz | USP-6C |
XC6365A232MR-G | VOUT type: internally set-up, Soft-start internally set-up | 2.3V | 180kHz | SOT-25 |