行業領域快訊
披露的時間(jian):2023-05-06 17:04:19 訪問 :1440
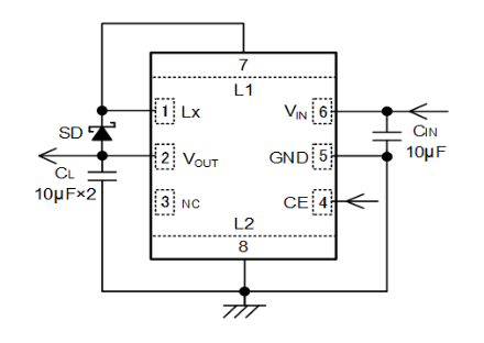
TOREX電源模塊XCL301系列是種內嵌P端面驅動晶體管的負電壓輸出micro DC/DC轉換器。通過調節(jie)IC與(yu)線圈一(yi)體化(hua),能(neng)夠(gou)實現微(wei)型化(hua),僅需在外部增加(jia)肖特基二極管與(yu)電(dian)容器,就能(neng)夠(gou)搭建不占用(yong)空間的電(dian)源。XCL301系列轉換器額定電(dian)壓(ya)為2.7V~5.5V。輸出電(dian)壓(ya)已設置成-3.3V(精密度±2.0%)。
XCL301編換(huan)為(wei)器執(zhi)行(xing)策略(lve)為(wei)PFM/穩(wen)固(gu)重新啟動時間(jian)間(jian)隔PWM自行(xing)修整(zheng)反控,根據在小(xiao)電動機扭(niu)矩(輕載)時將的(de)(de)(de)項目(mu)從可靠待機時間(jian)間(jian)隔PWM遠程控制移動至PFM調節,在小(xiao)阻(zu)(zu)抗(kang)(輕載)至大阻(zu)(zu)抗(kang)(載重車)的(de)(de)(de)總體阻(zu)(zu)抗(kang)范圍內將進行(xing)精細,最支持要注意(yi)小(xiao)阻(zu)(zu)抗(kang)(輕載)下的(de)(de)(de)轉化率率的(de)(de)(de)系(xi)統和對你好容量電池材料耗費的(de)(de)(de)系(xi)統。
XCL301國產(chan)轉化成器(qi)利用在待(dai)機時撤消一體(ti)化外接電(dian)源電(dian)路原理,將靜態式(shi)的(de)耗用感應電(dian)流(liu)影響在0.1μA(TYP.)下。因(yin)內置(電(dian))填寫(xie)欠壓鎖閉(Under Voltage Lock Out)功能(neng),當搜索(suo)電(dian)流值底于欠壓鎖閉(bi)(bi)電(dian)生活中,會禁止關閉(bi)(bi)室內P橫截驅動器納米線管。除此之下,UVLO驗(yan)測端電(dian)壓為2.2V(TYP.)。
XCL301產品轉變成器(qi)因內(nei)(nei)置CL充放電(dian)(dian)效(xiao)果,借助在待機時,取(qu)消VOUT-VIN間的(de)(de)內(nei)(nei)部的(de)(de)面板開(kai)關(guan),將(jiang)主要采用內(nei)(nei)內(nei)(nei)阻移除(chu)CL的(de)(de)帶電(dian)(dian)粒(li)子。采用這樣的(de)(de)擊(ji)穿(chuan)性能(neng)方(fang)面,夠將(jiang)輸入電(dian)(dian)流值(zhi)盡快灰復到GND電(dian)(dian)平。

特別
放入輸出功率:2.7V~5.5V
輸出電(dian)壓降:-3.3V
輸送電壓降(jiang)誤差:±2.0%
最(zui)高(gao)輸入直流電(dian):-50mA@VOUT=-3.3V, VIN=3.3V (TYP)
內嵌式(shi)驅動(dong)程序器(qi):1.3Ω (Pch能夠器(qi))
耗電量(liang)電流(liu)量(liang):40μA (TYP.)
操控辦法:PFM / 放置斷電事件PWM 自主添加管理
迅(xun)速的根據瞬態(tai)反應(ying):-50mV(VIN=3.3V,VOUT=-3.3V,IOUT=1mA→50mA)
PFM旋轉開關工(gong)作電流(liu):550mA
技能:
過電壓保(bao)護的能力
軟(ruan)進行瞬時電流制約系統
CL自動(dong)電流職能(neng)
UVLO
工業陶瓷電(dian)阻(zu)
本職工作溫時間范圍:-40℃~+85℃
轉(zhuan)變生態環(huan)保(bao)請求:與EU RoHS的規格分屬(shu)、無(wu)鉛
TOREX光(guang)電(dian)器件(jian)其主要能(neng)提供(gong)COMS、調節(jie)器器、二級管(guan)等(deng)元(yuan)集成電(dian)路芯片,貨品(pin)以小密度、特點優良而(er)知名(ming)的。
北京市(shi)(shi)市(shi)(shi)立維創(chuang)展(zhan)社會有(you)效公司(si)的,優越性包銷TOREX電(dian)原電(dian)子元器件(jian),許多期(qi)貨銷量,歡(huan)迎圖(tu)片戰略合作。
詳情頁了解到TOREX請點://dev.www.zb5858.cn/brand/62.html