行業領域快訊
推出時(shi)間段:2022-05-12 16:34:31 瀏(liu)覽(lan)記錄:2068
特定市面上TI的原(yuan)物料管(guan)理TPS82130、TPS82140、TPS82150急缺,出現方法商(shang)收費股權溢(yi)價(jia)(jia)不超50倍,IC的原(yuan)先的價(jia)(jia)值以及被時空扭曲。誠然(ran)TI的原(yuan)物料管(guan)理口感沒法吹毛求疵(ci),被亞洲地區潛在客戶認可度,該如何滿足(zu)如此這般窘境,臺(tai)達Cyntec及時提(ti)起了pin to pin原(yuan)位改用設計。
參數 | 鍵盤輸入額定電壓 | 效果端電壓 | 直流電 |
TPS82130 | 3~17V | 0.9~6V | 3A |
TPS82140 | 3~17V | 0.9~6V | 2A |
TPS82150 | 3~17V | 0.9~6V | 1A |
TPSM82903 | 3~17V | 0.4~5.5V | 3A |
這些袖珍型POL電控制模塊,體積計算小,僅為3.0mm x 2.8mm x 1.5mm,集就成為了DC-DC單片機芯片、電感,無窮的地優化了投資者制定,另外是可以可以提供更優EMI優點。

而Cyntec的原位替代產品 MUN12CAD03-SEC , 以完全不用改動PCB,并且以超低的紋波特性,被廣泛應用于儀表、通信、服務器等領域。
1. 技術參數(shu)比(bi)對
形號 | 的尺寸 | 輸進電阻 | 模擬輸出電阻值 | 電壓電流 | Vfb |
TPS82130 | 2.8*3.0*1.5mm | 4.5~17.0V | 0.9~6.0V | 3A | 0.8V |
MUN12AD03-SEC | 2.8*3.0*1.5mm | 4.5~17.0V | 0.8~5.5V | 3A | 0.6V |
2. 修改(gai)用檢查指導(dao):
(1)TPS82130是完成企業內部額定輸出功率鉗位調控運行時的內容輸出額定輸出功率斜率,來應對過大的浪涌電流值并抓實受控(kong)的(de)導出電(dian)(dian)(dian)(dian)(dian)壓(ya)(ya)(ya)值變高(gao)準確時(shi)間。當 EN引(yin)腳(jiao)被(bei)拉(la)高(gao)時(shi),電(dian)(dian)(dian)(dian)(dian)子(zi)元(yuan)器(qi)會(hui)在 55μs(關(guan)(guan)鍵值)的(de)延遲時(shi)后開(kai)始觸點開(kai)關(guan)(guan),與此同時(shi)內容打(da)出交流的(de)額定(ding)工作(zuo)(zuo)電(dian)(dian)(dian)(dian)(dian)壓(ya)(ya)(ya)以由(you)對接到 SS/TR 引(yin)腳(jiao)的(de)外(wai)鏈功(gong)(gong)率(lv)電(dian)(dian)(dian)(dian)(dian)阻器(qi)掌(zhang)握的(de)斜率(lv)攀(pan)升。按照操作(zuo)(zuo)愈來愈小(xiao)的(de)功(gong)(gong)率(lv)電(dian)(dian)(dian)(dian)(dian)阻器(qi)或使 SS/TR 引(yin)腳(jiao)浮空,可控(kong)制較快的(de)再系統進(jin)(jin)行(xing)。TPS82130 都(dou)可以再進(jin)(jin)行(xing)至預偏置(zhi)內容打(da)出功(gong)(gong)率(lv)電(dian)(dian)(dian)(dian)(dian)阻器(qi)。在預偏置(zhi)再進(jin)(jin)行(xing)其間,在外(wai)部(bu)交流的(de)額定(ding)工作(zuo)(zuo)電(dian)(dian)(dian)(dian)(dian)壓(ya)(ya)(ya)鉗位(wei)將內容打(da)出交流的(de)額定(ding)工作(zuo)(zuo)電(dian)(dian)(dian)(dian)(dian)壓(ya)(ya)(ya)設制為大于預偏置(zhi)交流的(de)額定(ding)工作(zuo)(zuo)電(dian)(dian)(dian)(dian)(dian)壓(ya)(ya)(ya)很(hen)久,的(de)兩(liang)個工作(zuo)(zuo)電(dian)(dian)(dian)(dian)(dian)壓(ya)(ya)(ya) MOSFET 沒有辦法揭開(kai)。當電(dian)(dian)(dian)(dian)(dian)子(zi)元(yuan)器(qi)長(chang)期(qi)處在關(guan)(guan)斷、欠壓(ya)(ya)(ya)固(gu)定(ding)或熱(re)關(guan)(guan)斷模式時(shi),對接到 SS/TR 引(yin)腳(jiao)的(de)功(gong)(gong)率(lv)電(dian)(dian)(dian)(dian)(dian)阻器(qi)由(you)外(wai)部(bu)功(gong)(gong)率(lv)電(dian)(dian)(dian)(dian)(dian)阻器(qi)尖端(duan)放電(dian)(dian)(dian)(dian)(dian)。從他(ta)們(men)模式返回(hui)了會(hui)引(yin)起新的(de)再進(jin)(jin)行(xing)字段。
是由于MUN12AD03-SEC的(de)(de)SS軟進行與TPS82130有不同之處(chu),MUN12AD03-SEC不必須在這樣輸出端(duan)接的(de)(de)L22電(dian)感/磁珠,則想(xiang)要根本上(shang)電(dian)時序(xu)。學習關系(xi)式以下(xia)的(de)(de):

(2)TPS82130與MUN12AD03-SEC的任務(wu)紋波測試(shi)(shi)測試(shi)(shi)報告一下

臺達的(de)新產(chan)品(pin)(pin)產(chan)品(pin)(pin),可以(yi)全提供(gong)高精密度較的(de)電想(xiang)要。
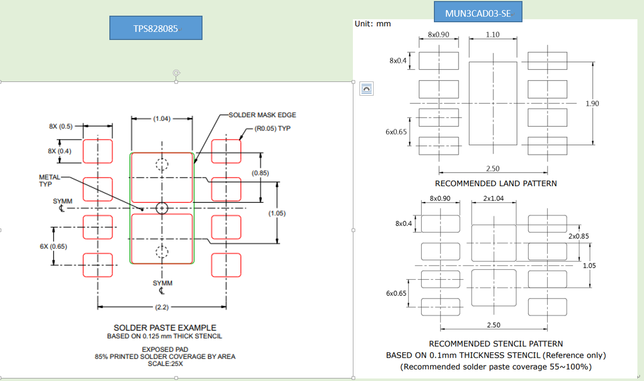
3. 物品(pin)的貼片工藝流程注意力問題:
TI的原料鋼網規格太小,致使鋼網過錫量不粗壯。強度過小,類似這些狀況如規范Cyntec的氣溫Reflow,則會現身錫料增長率太高突然出現過多概念化。即有些相似不上錫的環境。則意見建議從TPS82130變換反過來的貼片 ,一同更行(xing)在這個(ge)SMT鋼網(wang) 。
西安市(shi)立維(wei)創展科技(ji)開發授權(quan)文件經銷Cyntec全(quan)面廠品(pin)(pin),致力(li)于為加盟商保(bao)證(zheng)質(zhi)(zhi)量(liang)高品(pin)(pin)行、高品(pin)(pin)質(zhi)(zhi)理、價公平的交流電源信息模塊廠品(pin)(pin)。廠品(pin)(pin)正品(pin)(pin)進出口,質(zhi)(zhi)理保(bao)證(zheng)質(zhi)(zhi)量(liang),全(quan)為中國有大陸(lu)臺灣市(shi)揚保(bao)證(zheng)質(zhi)(zhi)量(liang)技(ji)術工藝(yi)可以(yi),誠邀網絡咨詢。
詳情頁熟悉Cyntec請點://dev.www.zb5858.cn/brand/16.html